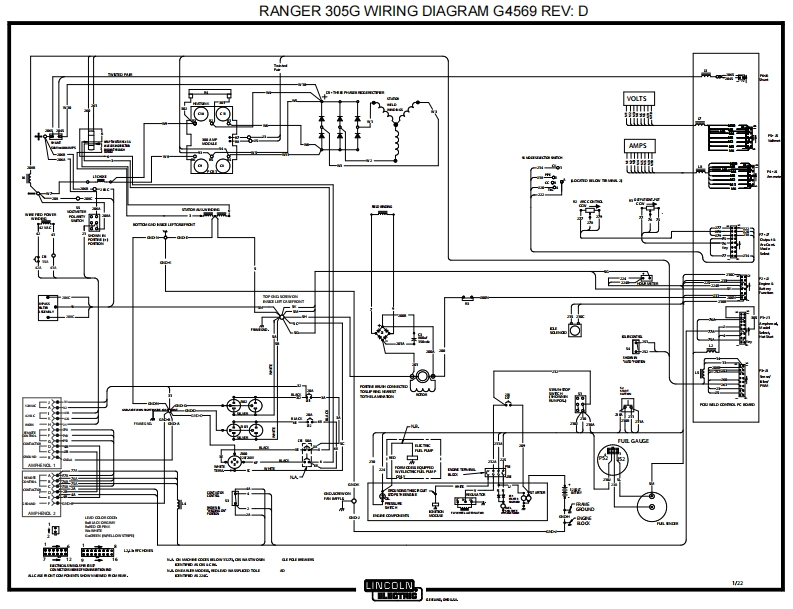
LINCOLN林肯电焊机RANGER-305G-WIRING-DIAGRAM-G4569-REV-D电器原理图

LINCOLN林肯电焊机RANGER-305G-WIRING-DIAGRAM-G4569-REV-D电器原理图-找手册网
LINCOLN林肯电焊机RANGER-305G-WIRING-DIAGRAM-G4569-REV-D电器原理图
此内容为付费资源,请付费后查看
1929
立即购买
您当前未登录!建议登陆后购买,可保存购买订单
付费资源

第1页 / 共1页
已完成全部阅读,共1
THE END
RANGER 305G WIRING DIAGRAM G4569 REV:D器测VOLTSAMPS4髻盘门彩a主HQIFOIRIAILINCOLN1/2m
喜欢就支持一下吧
评论 抢沙发

请登录后发表评论

    请登录后查看评论内容