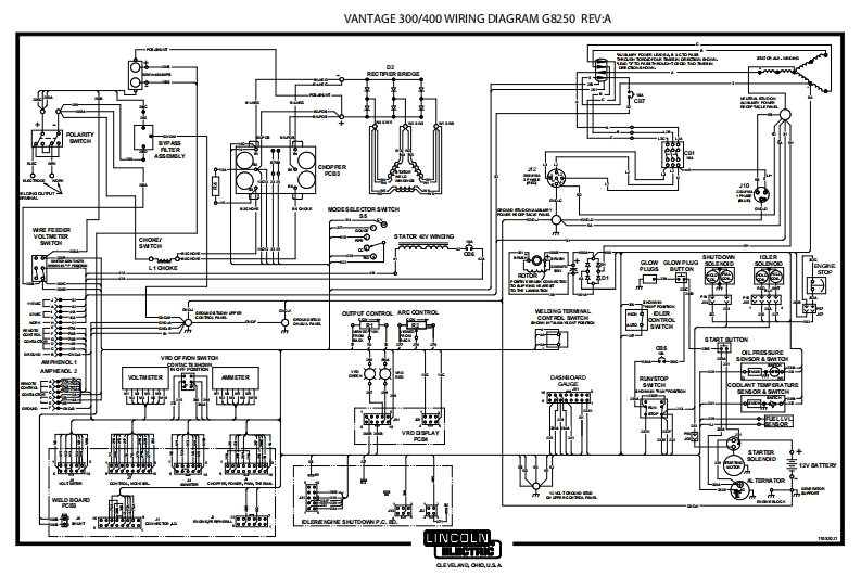
LINCOLN林肯电焊机VANTAGE-300400-WIRING-DIAGRAM-G8250-REVA电器原理图

LINCOLN林肯电焊机VANTAGE-300400-WIRING-DIAGRAM-G8250-REVA电器原理图-找手册网
LINCOLN林肯电焊机VANTAGE-300400-WIRING-DIAGRAM-G8250-REVA电器原理图
此内容为付费资源,请付费后查看
1929
立即购买
您当前未登录!建议登陆后购买,可保存购买订单
付费资源

第1页 / 共1页
已完成全部阅读,共1
THE END
VANTAGE 300/400 WIRING DIAGRAM G8250 REV:A照器MODESEECTOR SWTCHVOLTME TER5 TATOR V WE▣MG济L100OLTPLT CONTROL ARC CONTROL■START DUTTON¥oa0w2M0名群四VOLTN ETERW正民密0口气AT品a兴批6+CE9 E SHUTDOWN P.C山LINCOLN脑aEa马OHa,u互A
喜欢就支持一下吧
评论 抢沙发

请登录后发表评论

    请登录后查看评论内容