

第1页 / 共13页

第2页 / 共13页

第3页 / 共13页

第4页 / 共13页

第5页 / 共13页

第6页 / 共13页

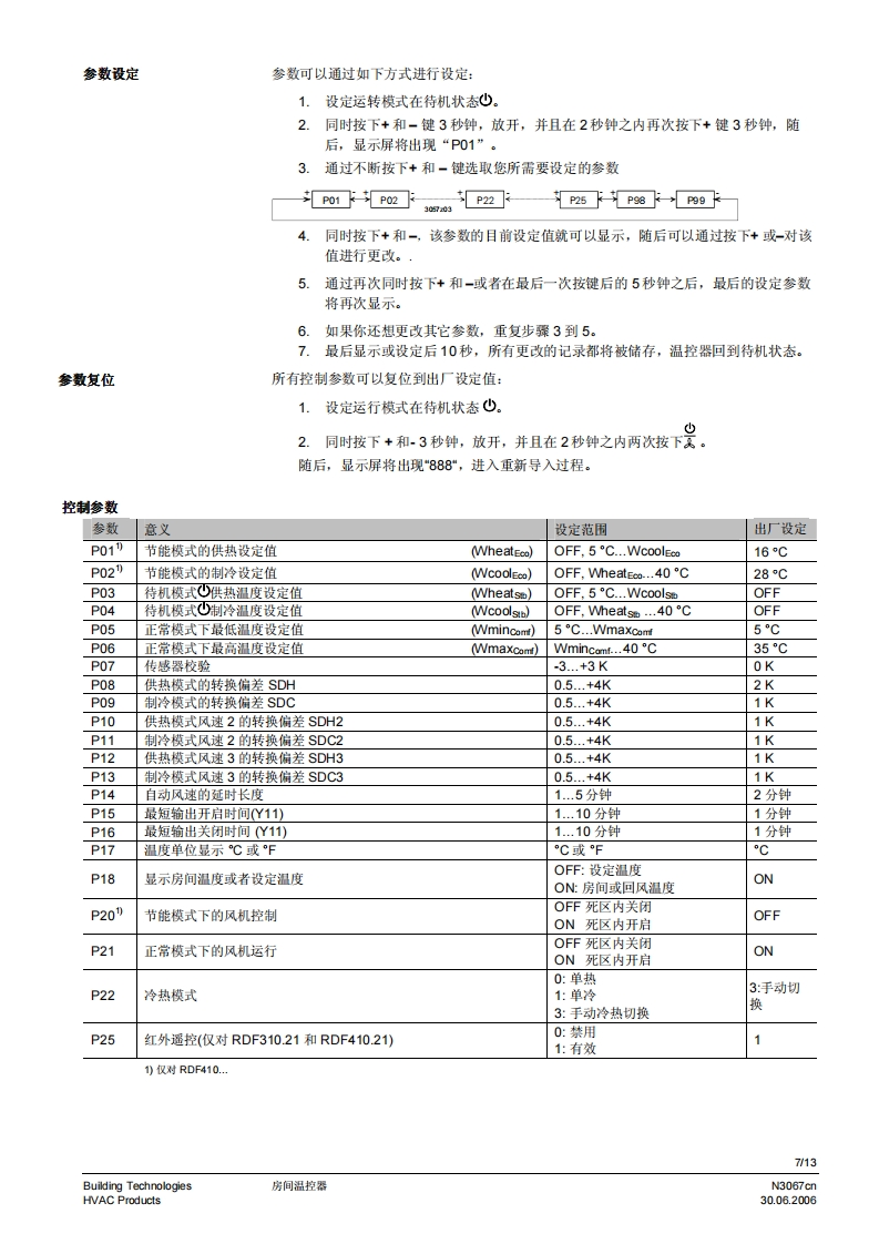
第7页 / 共13页

第8页 / 共13页

第9页 / 共13页

第10页 / 共13页
试读已结束,还剩3页,您可下载完整版后进行离线阅读
THE END
SIEMENS济南工达孔功24小时为您服务!www.cngdkj.com电话:18653198028QQ:1319331276西门子全国最大合作伙伴!SIEMENS24524.58:20RDF310.2,RDF310.21RDF410.21/CN嵌入式带液晶显示的房间温控器RDF310..RDF410...用于两管制风机盘管系统用于直接膨胀设备的压缩机控制向开关阀和单级压缩机输出信号三速风机控制:自动控制或者手动控制手动冷热切换或单冷、单热运行模式:正常模式和待机模式调试和控制参数可调房间温度或设定值最小和最大设定值限定工作电压AC230V安装在帐入式接线盒内RDF310.21的附功能LCD背光红外超控RDF410.21的附加功能LCD背光红外遥控带8个可编程的定时段N3067cnBuilding Technologies30.06.2006HVAC Products
请登录后查看评论内容