西门子SAX电动阀门执行器

西门子SAX电动阀门执行器-找手册网
西门子SAX电动阀门执行器
此内容为付费资源,请付费后查看
1921
付费资源

第1页 / 共8页

第2页 / 共8页

第3页 / 共8页

第4页 / 共8页

第5页 / 共8页

第6页 / 共8页

第7页 / 共8页

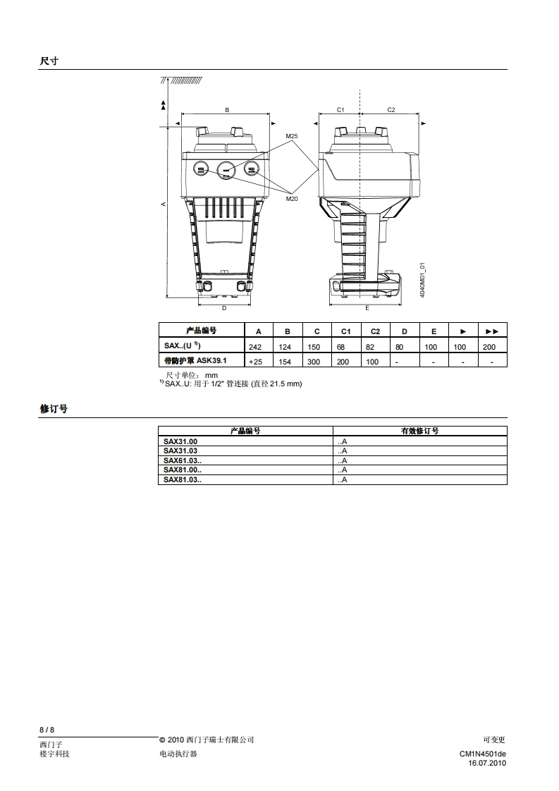
第8页 / 共8页
已完成全部阅读,共8
THE END
SIEMENS4501ACVATIX TM电动阀门执行器SAX..行程20mmSAX31..工作电压AC230V,三位控制信号SAX61..工作电压AC/DC24V,控制信号DC0..10V,4..20mA◆SAX81.工作电压AC/DC24V,三位控制信号·SAX61.阀位反馈,优先控制,可选流量特性·可直接安装在阀门上:无需调整·带手动调节器,位置指示器和LED状态显示·可选配辅助开关、电位计、功能模块、阀杆加热元件等应用用于暖通系统控制和安全切断的西门子V.F21.,V.F31,V.F40.,V.F41,V.G41.和F52.系列型号的二通阀和三通阀,驱动行程为20mm。CM1N4501de16.07.2010楼宇科技
喜欢就支持一下吧
评论 抢沙发

请登录后发表评论

    请登录后查看评论内容