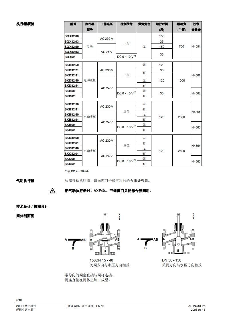
西门子三通阀VXF40-50找手册网28天前发布关注私信0.20MB10页046西门子三通阀VXF40-50此内容为付费资源,请付费后查看¥19¥21黄金会员免费钻石会员免费登录购买付费资源 第1页 / 共10页 第2页 / 共10页 第3页 / 共10页 第4页 / 共10页 第5页 / 共10页 第6页 / 共10页 第7页 / 共10页 第8页 / 共10页 第9页 / 共10页 第10页 / 共10页 已完成全部阅读,共10页 THE END西门子 文本预览 SIEMENS济南工达孔功24小时为您服务!www.cngdkj.com电话:18653198028QQ:1319331276西门子全国最大合作伙伴!acvatix三通调节阀VXF40...法兰连接,PN16。灰钟铁EN-GJL-250阀体·DN15-150·kvs1.9-315mh。可与SQX.电动执行器或SKD、SKB.、SKC.…-电动液压执行器组合用途适用于暖通空调系统,作为“分流”或“合流”调节阀。仅适用于闭式系统。AP1N4430zh西门子楼宇科技2008.05.18暖通空调产品 查看更多 收起部分 喜欢就支持一下吧收藏
请登录后查看评论内容