

第1页 / 共23页

第2页 / 共23页

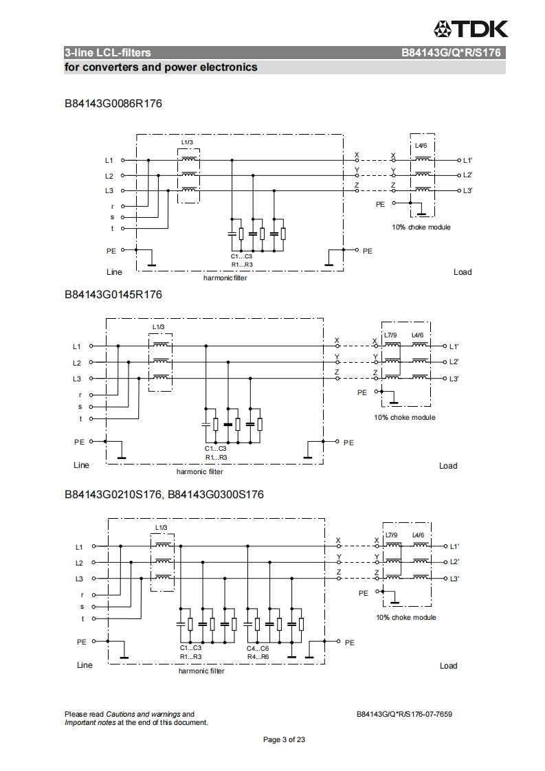
第3页 / 共23页

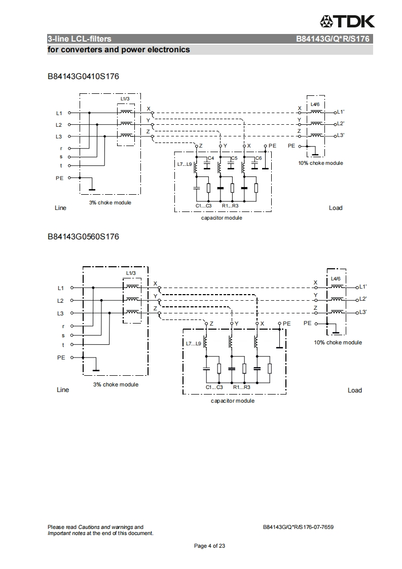
第4页 / 共23页

第5页 / 共23页

第6页 / 共23页

第7页 / 共23页

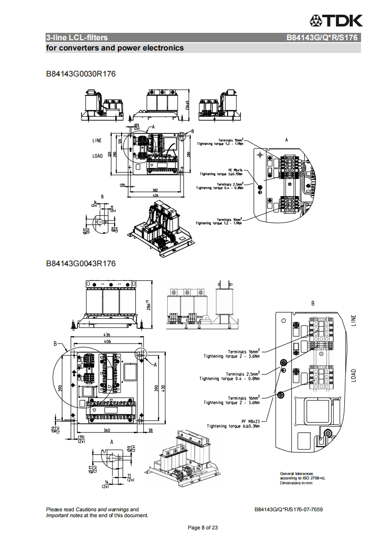
第8页 / 共23页

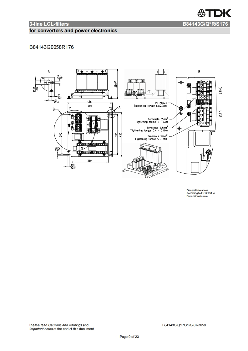
第9页 / 共23页

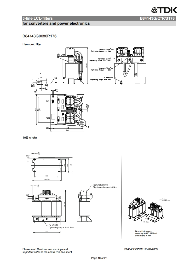
第10页 / 共23页
试读已结束,还剩13页,您可下载完整版后进行离线阅读
THE END
公TDKDatasheet3-line LCL-filtersfor converters and power electronics305/530V,50/60Hz,8..1140A,50COrdering code:B84143G/Q*R/S176Date:2015-12-15Version:07EPCOS AG 2015.Reproduction,publication and dissemination of this publication,enclosures hereto and theinfommation contained therein without EPCOS'prior express consent is prohibited.EPCOS AG is a TDK Group CompanyPage 1 of 23
请登录后查看评论内容