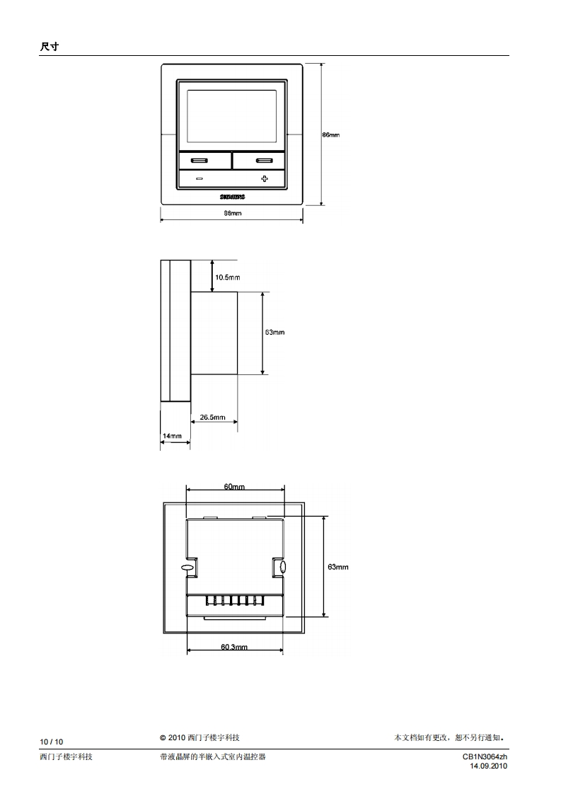
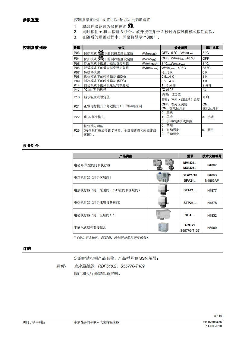
西门子房间温控器RDF510-2找手册网29天前发布关注私信0.24MB10页050西门子房间温控器RDF510-2此内容为付费资源,请付费后查看¥19¥21黄金会员免费钻石会员免费登录购买付费资源 第1页 / 共10页 第2页 / 共10页 第3页 / 共10页 第4页 / 共10页 第5页 / 共10页 第6页 / 共10页 第7页 / 共10页 第8页 / 共10页 第9页 / 共10页 第10页 / 共10页 已完成全部阅读,共10页 THE END西门子 文本预览 济南工达孔功SIEMENS24小时为您服务!www.cngdkj.com电话:18653198028QQ:1319331276西门子全国最大合作伙伴!带液晶显示的嵌入式室内温控器RDF510.2用于两管制风机盘管系统,并可在DX型设备中与压缩机共同使用·控制开刊关型阀门执行器、3线开/关型阀门执行器和DX型设各中的单级压缩机·三速风机控制:自动或手动。手动冷热模式转换或持续保持在单冷或单热模式。运行模式:舒适模式和保护模式·可调的调试参数和控制参数·可以选择显示室内温度或室内温度设定值·最小和最大温度设定限值·以0.5℃或1℉为步长显示温度值·工作电压:AC230V·86盒安装CB1N3064zh14.09.2010西门子楼宇科技 查看更多 收起部分 喜欢就支持一下吧收藏
请登录后查看评论内容