

第1页 / 共16页

第2页 / 共16页

第3页 / 共16页

第4页 / 共16页

第5页 / 共16页

第6页 / 共16页

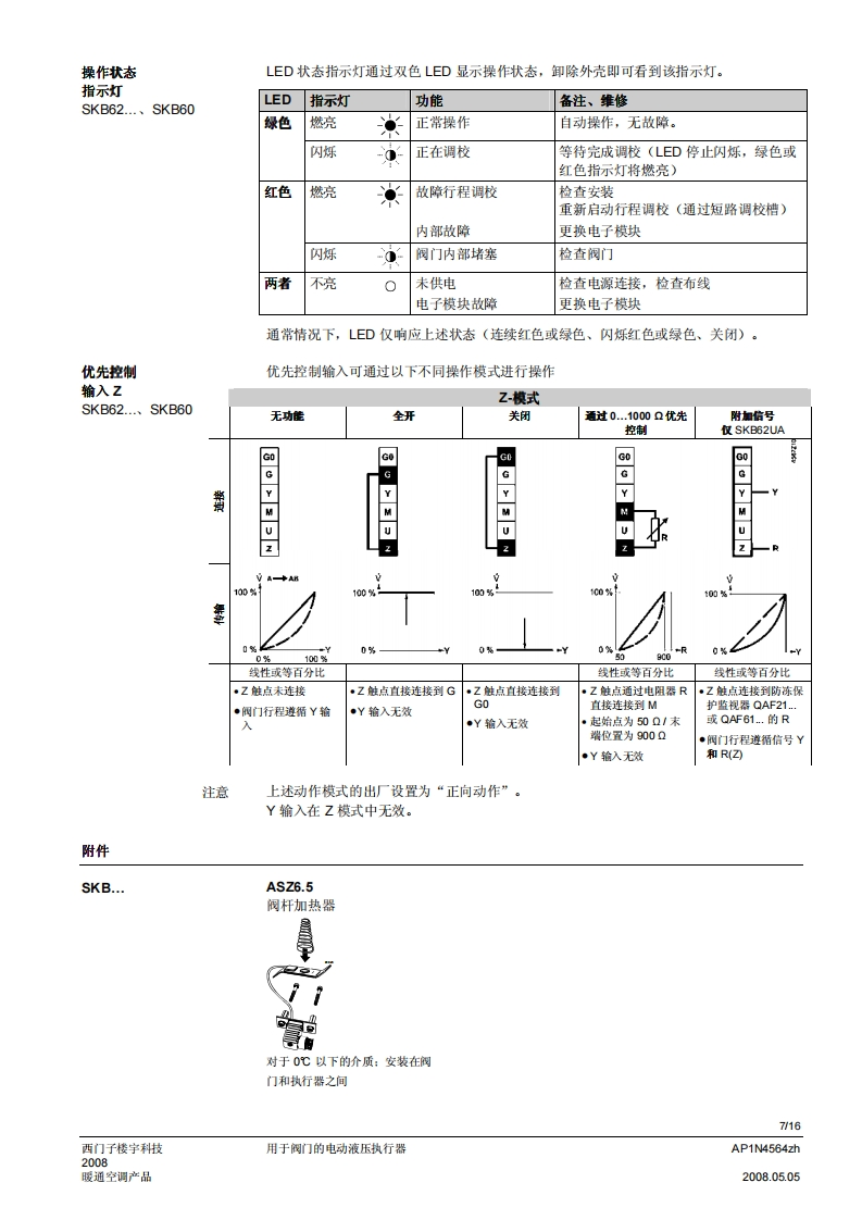
第7页 / 共16页

第8页 / 共16页

第9页 / 共16页

第10页 / 共16页
试读已结束,还剩6页,您可下载完整版后进行离线阅读
THE END
SIEMENS济南工达孔功24小时为您服务!www.cngdkj.com电话:18653198028QQ:1319331276西门子全国最大合作伙伴!acvatix用于阀门的电动液压执行器SKB32...20mm行程SKB82...SKB62...SKB60·SKB32.工作电压AC230V,三位控制信号·SKB82.工作电压AC24V,三位控制信号·SKB6..工作电压AC24V控制信号DC0-10V、4-20mA或者0-1000Q·SKB6.…具有流量特性选择、位置反馈、行程调校、LED状态指示灯、优先控制功能·SKB62UA具有以下功能:运行方向选择、行程限位控制、带可调节起点和动作范围的序列控制、根据防冻保护监视器QAF21.和QAF61.信号动作·驱动力2800N·执行器型号(带或不带弹簧复位功能)·直接安装在阀门上:无需调节·手动调节和阀位指示器·可选功能:辅助开关、电位计、阀杆加热器和机械行程逆变器·SKB.U已通过UL认证用途用于西门子二通阀和三通阀WF.、VVG和VXF.系列型号的阀门执行器,驱动行程为20m,应用于暖通空调系统中的控制阀和安全截止阀。AP1N4564zh西门子楼宇科技2008.05.05暖通空调产品
请登录后查看评论内容