西门子执行器SQS35-65-85

西门子执行器SQS35-65-85-找手册网
西门子执行器SQS35-65-85
此内容为付费资源,请付费后查看
1921
付费资源

第1页 / 共7页

第2页 / 共7页

第3页 / 共7页

第4页 / 共7页

第5页 / 共7页

第6页 / 共7页

第7页 / 共7页
已完成全部阅读,共7
THE END
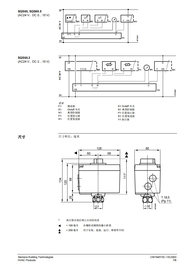
SIEMENS573电动阀门执行器SQS35...SQS65...SQS85...行程5.5mmS0S35.50.S0S35.53SQS35.00.S0S35.03,S0S65,SQS65.2S0S65.5S0S85.00.S0S85.03有弹簧复位无手动调节无弹簧复位有手动调节电动执行器SQS35..AC220V工作电压,接受三位控制信号SQS85.AC24V工作电压,接受三位控制信号SQS65.AC24V工作电压,接受DC0.10V,或DC2..10V控制信号调节力量可达400N行程5.5mm不需要其他设置工具可以直接与阀体安装SQS35.00,SQS35.03,SQS85.00和SQS85.03有附加的轴助开关功能符合DIN32730标准,有弹簧复位或无弹簧复位功能的执行器无弹簧复位的执行器有手动调节和位置显示必能弹黄复位执行器有位置显示能,无手动调节功能应用用于二通阀、三通阀WG44.,WG55,WP45.,VMP43.,VMP44.,VMP45.,XG44VXP45.,VV152..系列型号的阀门执行器,驱动行程为5.5mm。应用领域符合IEC721-3-3(国际电工委员会721-3-3规定)3K5等级环境温度:-5..+50℃阀内介质温度:+2..+130℃使用安装配件ASK30就能驱动下列行程4mm或行程5.5mm的阀门:X3i,WG45.,VXG45.,VXG46..和W151功能可逆同步电动机是采用三位控制信号(SQS35..和SQS85.),或者比例DC0..10V(SQS65.SQS65.5)或DC2..10V(SQS65.2)控制信号进行驱动。通过防锁齿轮机构产三位或比例控制信号生相应的阀位行程。端子Y1或Y2的三位控制:·Y1有电压:阀杆收缩,阀门打开·Y2有电压:阀杆伸长,阀门关闭·Y1或Y2无电压:阀杆保持在当前位置SQS65...通过重新定位连接器S1(盖子下面、打印电路板上面),能够改变5.5m(从“等比例”到流量特性选择“线性”)行程阀门的流量特性,在任何情况下,流量特性都与阀门的通路有关。·S1连接A与C,能够产生等比例流量特性(工厂设定),主要用于供热应用。·S1连接B和C,能够产生线性流量特性,主要用于制冷应用。·对于自动操作,S1与A和C连接,或者与B和C连接,主要取决于所需的流量特性。Siemens Building TechnologiesCM1N4573C/03.2003HVAC Products1/8
喜欢就支持一下吧
评论 抢沙发

请登录后发表评论

    请登录后查看评论内容