

第1页 / 共26页

第2页 / 共26页

第3页 / 共26页

第4页 / 共26页

第5页 / 共26页

第6页 / 共26页

第7页 / 共26页

第8页 / 共26页

第9页 / 共26页

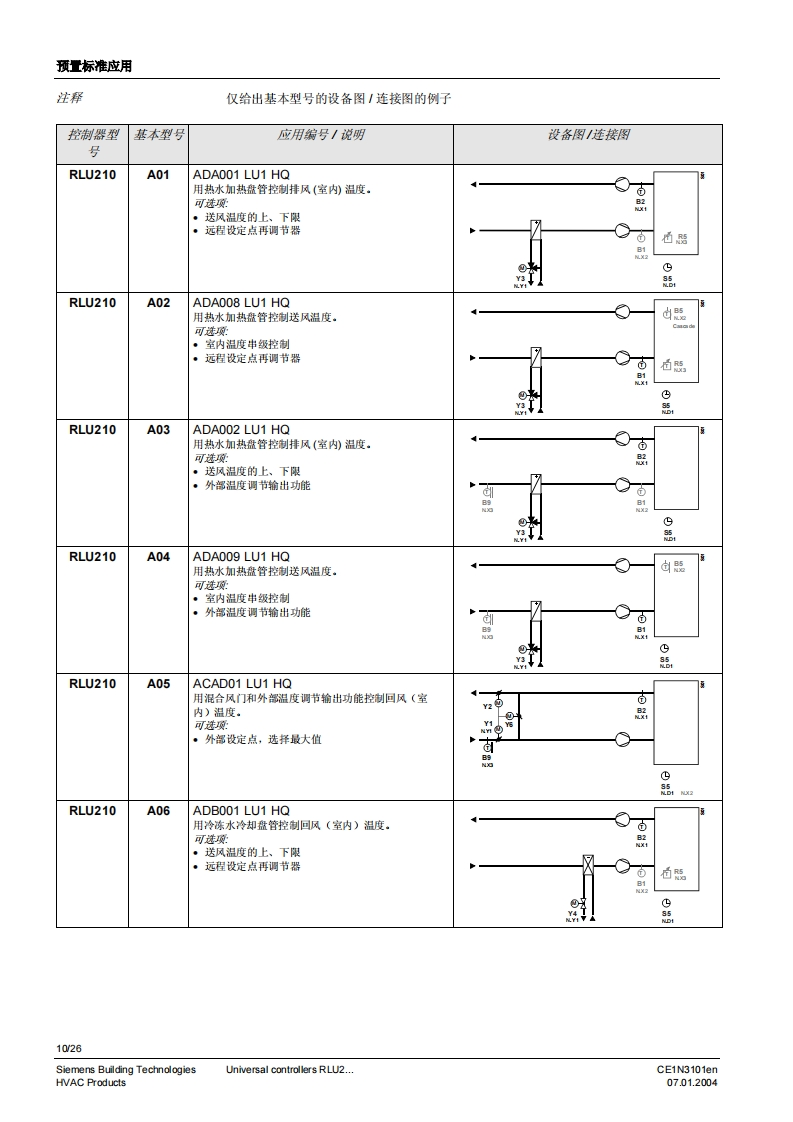
第10页 / 共26页
试读已结束,还剩16页,您可下载完整版后进行离线阅读
THE END
SIEMENS济南工达孔功24小时为您服务!www.cngdkj.com电话:18653198028QQ:1319331276西门子全国最大合作伙伴!iiliil i l iil i i iH11111111113111111SyncoTM 200通用控制器RLU2...·带有预置的标准应用·自由编程的控制器,以适用于相关型号的设备·P-,PL,或PID模式·菜单驱动操作用途用于从基本到复杂的通风、空调和制冷设备。通用控制器用于处理以下控制变量:温度、相对绝对湿度、压力压力差、气流、室内空气质量和焓值。功能操作模式·通过状态输入选择运行模式:舒适、经济、保护·显示当前运行模式(舒适、经济、保护)设定点·带有各自的顺序控制器:独立可调节的加热和冷却设定点(或最大和最小设定点)用于舒适和经济模式·通过室内操作单元或设定点再调节器(无源)预定义室温设定点·用各种顺序控制器:用远程设定点调节器(有源或无源)预定义设定点·带夏季和或冬季补偿的室温设定点·用各种顺序控制器:设定点偏移取决于传感器信号、可选的起点和终点通用辙入通用输入:·不同测量值的无源或有源模拟输入信号(℃,%,一)·数字输入信号(无电压干节点)CE1N3101enSiemens Building Technologies07.01.2004HVAC Products
请登录后查看评论内容