西门子温控阀VVP45VXP45VMP45

西门子温控阀VVP45VXP45VMP45-找手册网
西门子温控阀VVP45VXP45VMP45
此内容为付费资源,请付费后查看
1921
付费资源

第1页 / 共10页

第2页 / 共10页

第3页 / 共10页

第4页 / 共10页

第5页 / 共10页

第6页 / 共10页

第7页 / 共10页

第8页 / 共10页

第9页 / 共10页

第10页 / 共10页
已完成全部阅读,共10
THE END
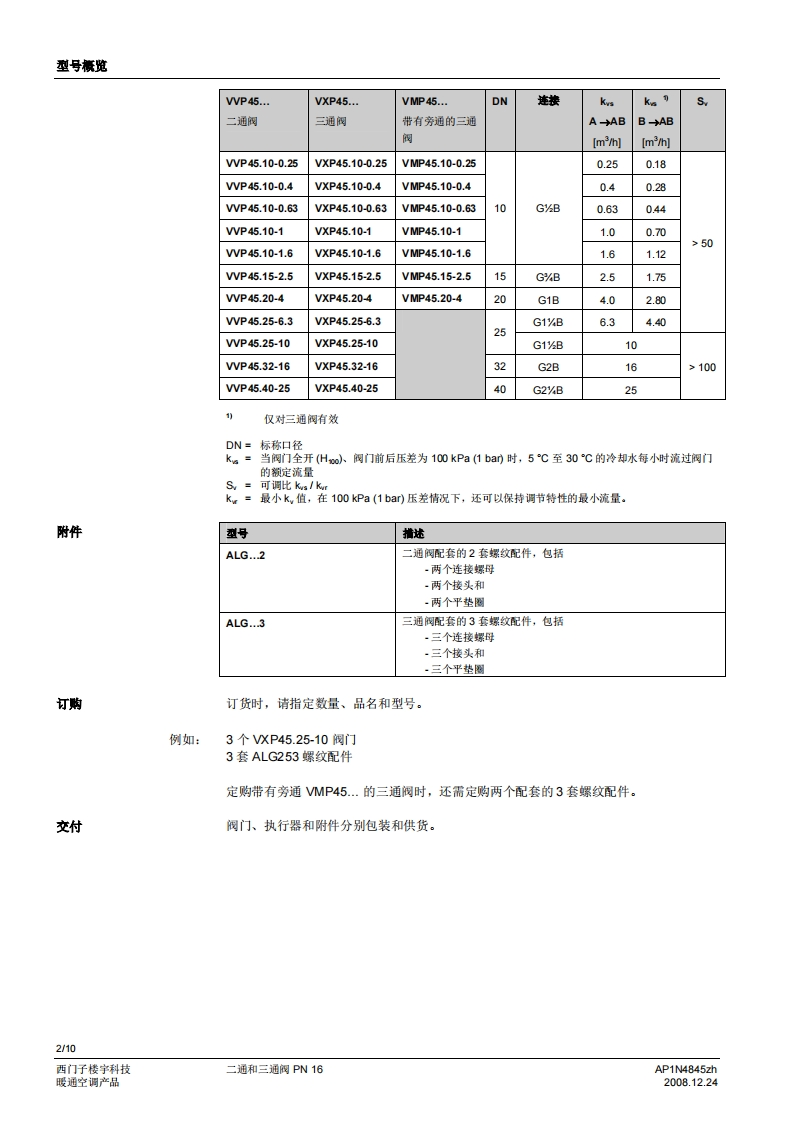
SIEMENS济南工达孔功24小时为您服务!www.cngdkj.com电话:18653198028QQ:1319331276西门子全国最大合作伙伴!二角在园三通阀带有旁通的三通阀WP45.10-0.25至WP4525-63VXP45.10-025至VXP45.25-63VMP45.10-0.25至VMP4520-二通阀三通阀WP45.25-10至WP45.40-25VXP4525-10至VXP45.40-25acvatix二通和三通阀PN16VVP45...VXP45...VMP45...·青铜阀体CC491K(Rg5)·DN10..DN40●kg0.25.25m3h·平垫图外螺纹连接G.B符合1S0228/1-西门子提供配套的螺纹配件连接ALG.-SERTO卡套接头,型号S021.(供应商处有售)·手动调节·可配备SSB.或者SSC..电动执行器用途·适用于在通风和空调系统中闭式水系统末端设备的控制,例如:诱导器、风机盘管、小型的再热器和小型的再冷器,用于下列设备中:一两管制系统,有1个用于加热和冷却的换热器一四管制系统,有2个单独的用于加热和冷却的换热器·用于闭式区域加热系统,例如:一建筑物中的单个楼层-公寓一单个房间AP1N4845zh西门子楼宇科技2008.12.24暖通空调产品
喜欢就支持一下吧
评论 抢沙发

请登录后发表评论

    请登录后查看评论内容