西门子防冻开关QAF81-3

西门子防冻开关QAF81-3-找手册网
西门子防冻开关QAF81-3
此内容为付费资源,请付费后查看
1921
付费资源

第1页 / 共4页

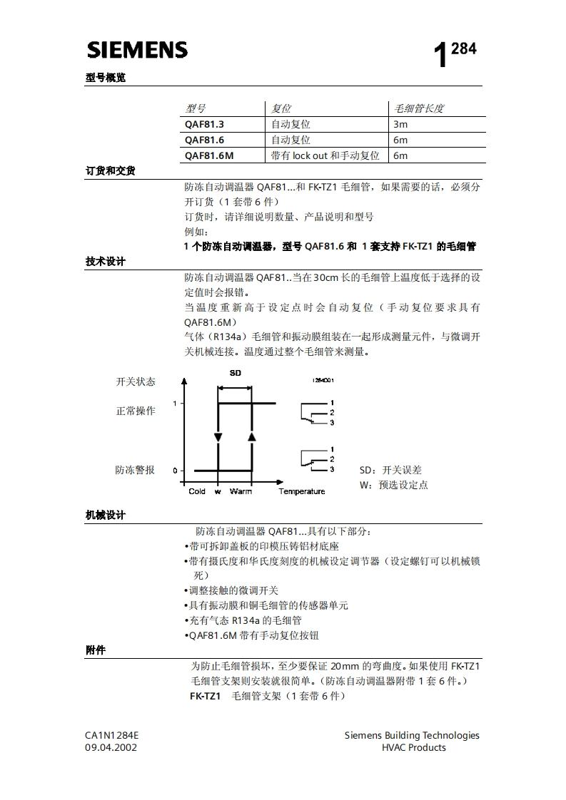
第2页 / 共4页

第3页 / 共4页

第4页 / 共4页
已完成全部阅读,共4
THE END
SIEMENS济南工达孔功24小时为您服务!www.cngdkj.com电话:18653198028QQ:1319331276西门子全国最大合作伙伴!58防冻保护器QAF81..适用于空气温度监测·坚固的印棋压铸铝材底座·对任意30cm长毛细管的温度变化作出反应·微小的转换差·良好的重复性·设定点调节(-5.…+15℃)·防护标准P54用途防冻恒温保护器QAF81.…在通风空调系统中监测LTHW加热盘管空气侧温度来防冻。具有较小的转换差和良好的重复性。可自动复位(手动复位需要具有QAF81.6M).典型应用防冻自动调温器可以用来实现以下功能:一停止风扇一关闭室外风阀一将加热盘管100%关闭一启动加热盘管泵一关闭冷却器(冷凝器)和加湿器一错误可视或防冻警报CA1N1284ESiemens Building Technologies09.04.2002HVAC Products
喜欢就支持一下吧
评论 抢沙发

请登录后发表评论

    请登录后查看评论内容