西门子风阀执行器GEB161-1E

西门子风阀执行器GEB161-1E-找手册网
西门子风阀执行器GEB161-1E
此内容为付费资源,请付费后查看
1921
付费资源

第1页 / 共4页

第2页 / 共4页

第3页 / 共4页

第4页 / 共4页
已完成全部阅读,共4
THE END
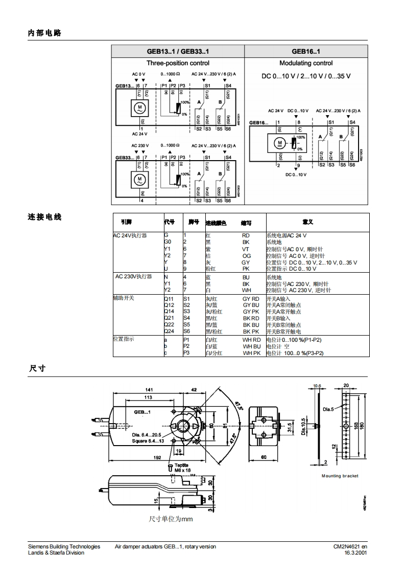
SIEMENS济南工达孔功24小时为您服务!www.cngdkj.com电话:18653198028QQ:1319331276西门子全国最大合作伙伴!OpenAirTM风阀执行器GEB...1旋转版本,AC24MAC230V三位、无级控制电动执行器,最小转矩15Nm,带有自整定装置,0.90°机械调节范围带有0.9m长连接电缆,位置信号偏移和范围可调。带有位置指示器,反馈电位计,旋转角度自整定,有辅助开关用于辅助功能。注意这份数据手册只包含了执行器的概述。如果想得到有关安全、工程使用注意事项、安装、调试等的细节,请参阅文档CM2Z4621。使用适合于面积大于3m2的风阀适合用于连续调节控制器(DC0.10)或三位控制器(如室外风阀)适合在同一个轴上有两个执行器的风阀。CM2N4621enSiemens Building Technologies16.03.2001Landis Staefa Division
喜欢就支持一下吧
评论 抢沙发

请登录后发表评论

    请登录后查看评论内容