

第1页 / 共82页

第2页 / 共82页

第3页 / 共82页

第4页 / 共82页

第5页 / 共82页

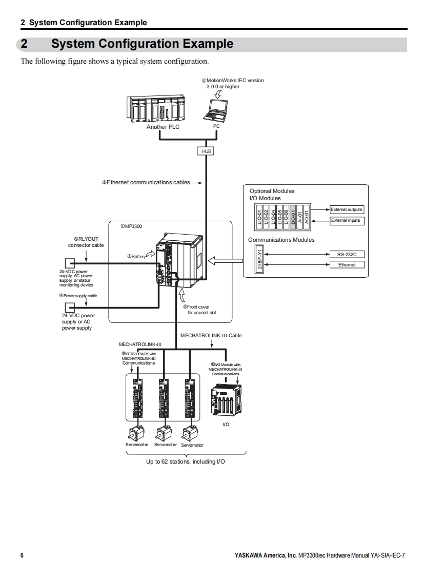
第6页 / 共82页

第7页 / 共82页

第8页 / 共82页

第9页 / 共82页

第10页 / 共82页
试读已结束,还剩72页,您可下载完整版后进行离线阅读
THE END
YASKAWAMP3300iecMachine ControllerHardware ManualType:MP3300iecTo properly use the product,read this manualthoroughly and retain for easy reference,inspection,and maintenance.Ensure the end user receives this manual.MANUAL NO.YAI-SIA-IEC-7
请登录后查看评论内容