

第1页 / 共13页

第2页 / 共13页

第3页 / 共13页

第4页 / 共13页

第5页 / 共13页

第6页 / 共13页

第7页 / 共13页

第8页 / 共13页

第9页 / 共13页

第10页 / 共13页
试读已结束,还剩3页,您可下载完整版后进行离线阅读
THE END
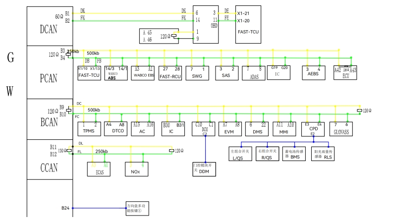
I、Electrical network architecture of the whole vehicle 1、整车电气网络架构The X5000 vehicle CAN network is divided into three network segments:B CAN,C CAN,and P CAN,including:X5000整车CAN网络分为B CAN.C_CAN,PCAN三个网段,其中:B CAN is audio and video entertainment CAN,the main nodes are multi-function instrument cluster,MMI,AC.etc.:。B.CAN为影音娱乐CAN,主要节点有多功能组合仪表、MMI,AC等:C CAN chassis CAN,the main nodes are ECAS,LNG transmitters,etc.;●CCAN为底盘CAN,主要节点有ECAS、NG变送器等:P CAN is power CAN,the main nodes are engine,gearbox,etc.·PCAN为动力CAN,主要节点有发动机、变速箱等:The communication rate between each network segment is 500Kpbs,and the signal routing ofeach network segment is communicated through thegateway.各网段之间的通讯速率为500Kpb5,通过网关对格个网段的信号路由进行通讯。In addition to the CAN bus,the right combination switch,steering wheel button,and some in-cab switches arecontrolled via the LIN bus.除了CAN总线外,右组合开关、方向盘按键及部分驾驶室内开关等通过LIN总线控制。
请登录后查看评论内容