

第1页 / 共12页

第2页 / 共12页

第3页 / 共12页

第4页 / 共12页

第5页 / 共12页

第6页 / 共12页

第7页 / 共12页

第8页 / 共12页

第9页 / 共12页

第10页 / 共12页
试读已结束,还剩2页,您可下载完整版后进行离线阅读
THE END
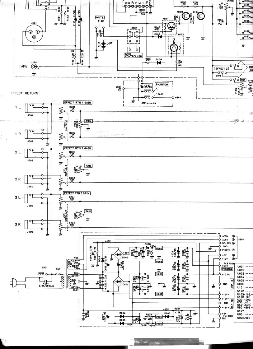
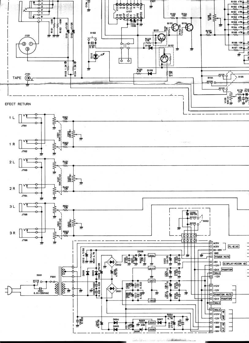
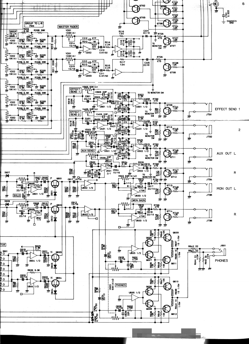
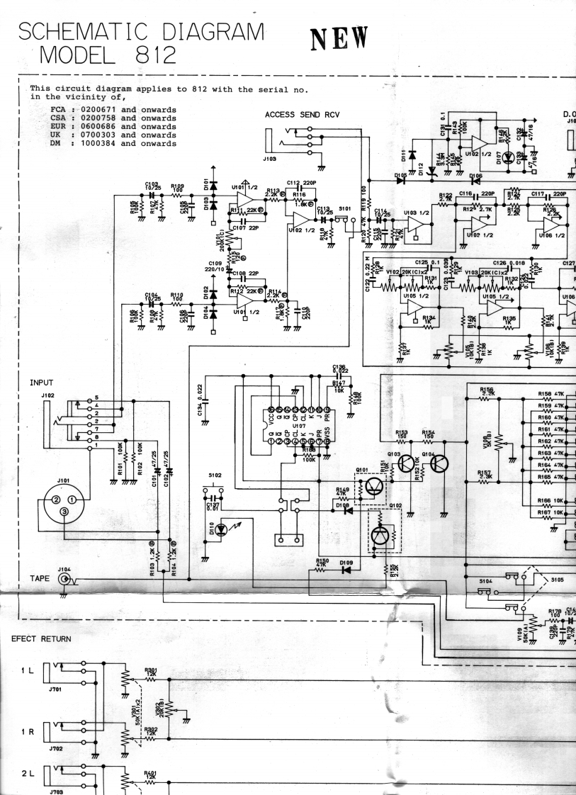
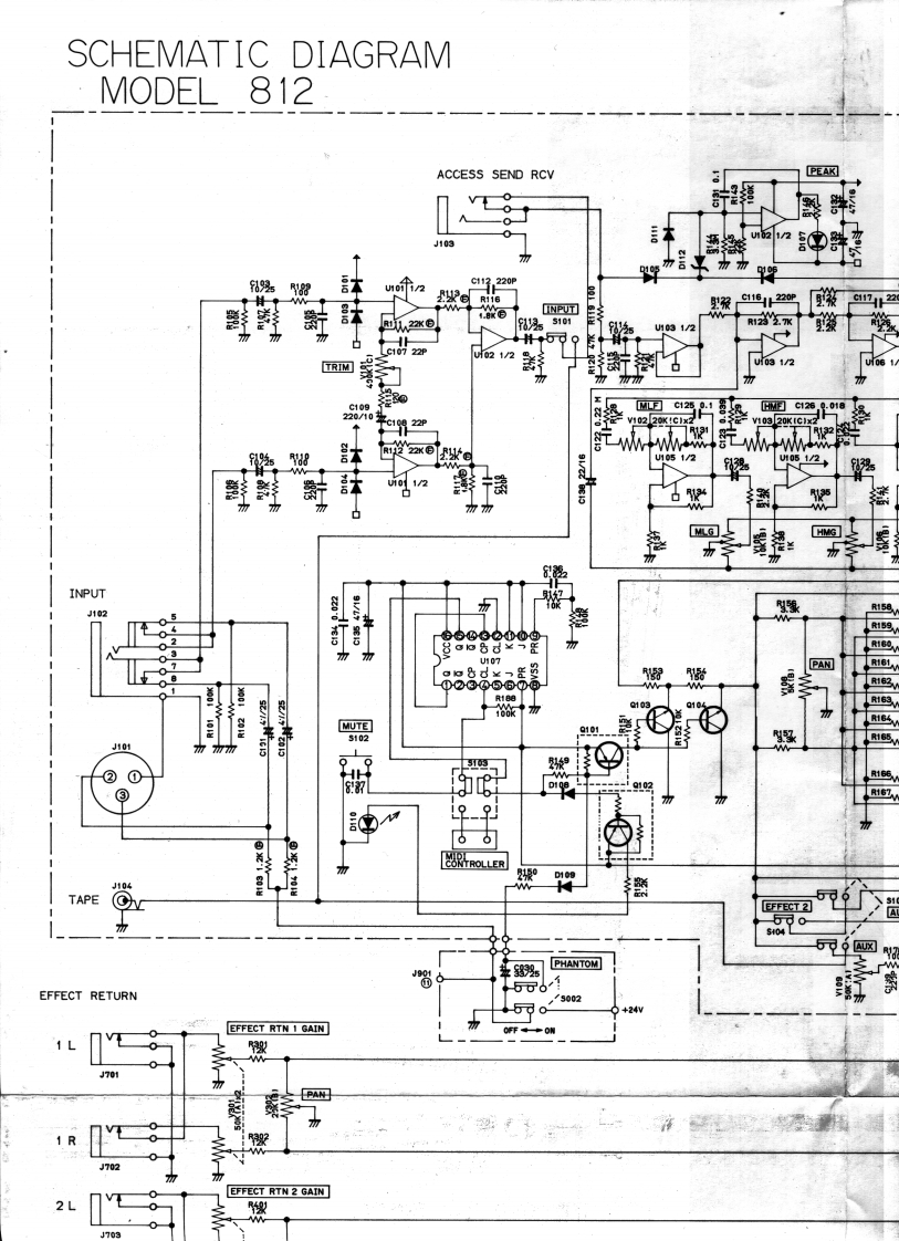
SCHEMATIC DIAGRAMMODEL 812ACCESS SEND RCVPEA☒J103中C112.220PR116116220r装22355101U1031/2/2TRIM]新uo31/210220KG1x210320KC1xR132食1222x1/2512鉴INPUTJ102$R15927PANR1610器R18船J101②①CORTROLLER2°TAPEEFFECT 26可0PHANTOMEFFECT RETURN/500224vEFFECT RTN 1 GAINJ70时PANEFFECT RTN 2 GAIN
请登录后查看评论内容