Volvo-FM7–FM10–FM12-LHD-Wiring-Diagram-Group-37-Release-02维修手册

Volvo-FM7--FM10--FM12-LHD-Wiring-Diagram-Group-37-Release-02维修手册-找手册网
Volvo-FM7–FM10–FM12-LHD-Wiring-Diagram-Group-37-Release-02维修手册
此内容为付费资源,请付费后查看
2931
立即购买
您当前未登录!建议登陆后购买,可保存购买订单
付费资源

第1页 / 共152页

第2页 / 共152页

第3页 / 共152页

第4页 / 共152页

第5页 / 共152页

第6页 / 共152页

第7页 / 共152页

第8页 / 共152页

第9页 / 共152页

第10页 / 共152页
试读已结束,还剩142页,您可下载完整版后进行离线阅读
THE END
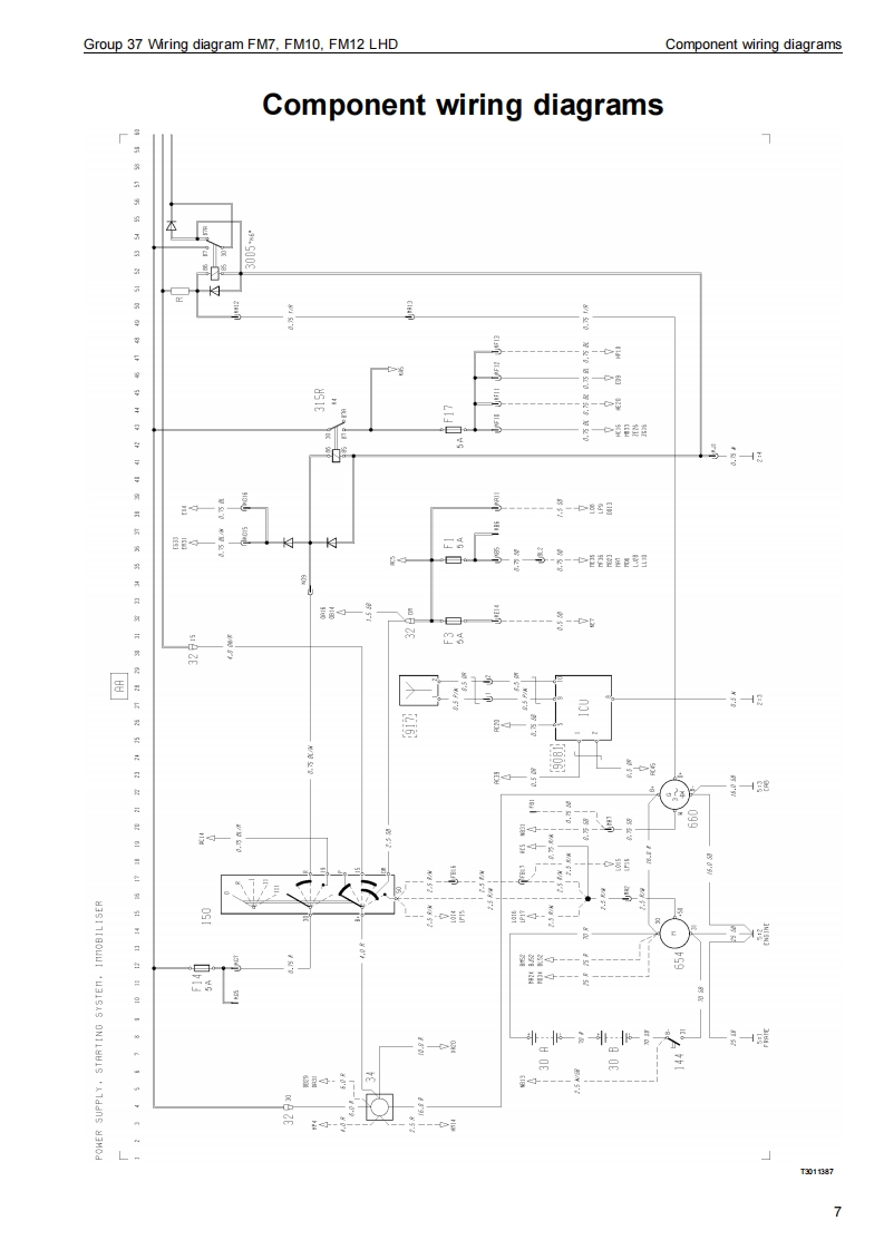
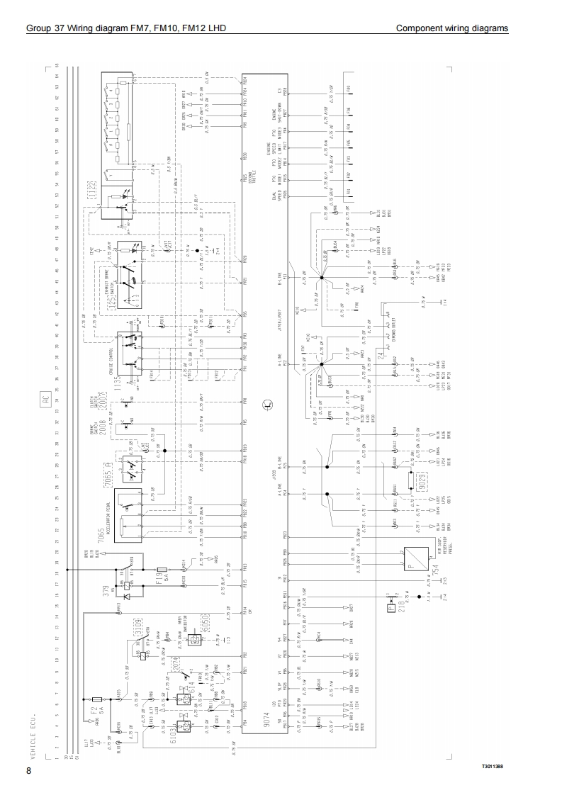
Service ManualTrucksGroup 37Version 02Wiring diagramFM7,FM10,FM12 LHDTo be inserted into the binders for FM,FH.TSP127085
喜欢就支持一下吧
评论 抢沙发

请登录后发表评论

    请登录后查看评论内容