

第1页 / 共11页

第2页 / 共11页

第3页 / 共11页

第4页 / 共11页

第5页 / 共11页

第6页 / 共11页

第7页 / 共11页

第8页 / 共11页

第9页 / 共11页

第10页 / 共11页
试读已结束,还剩1页,您可下载完整版后进行离线阅读
THE END
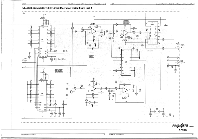
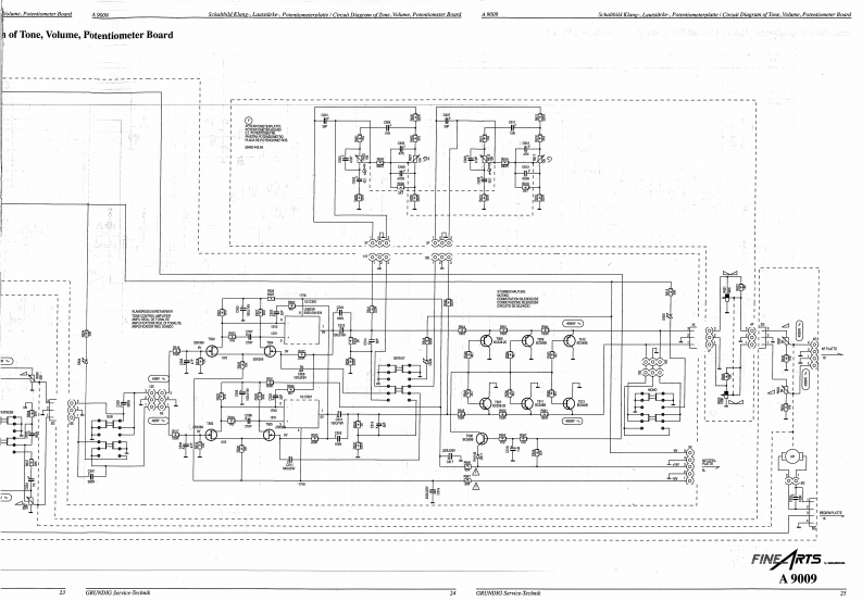
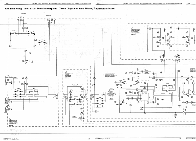
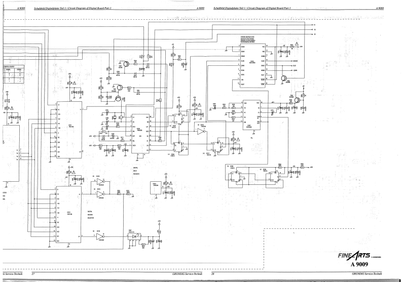
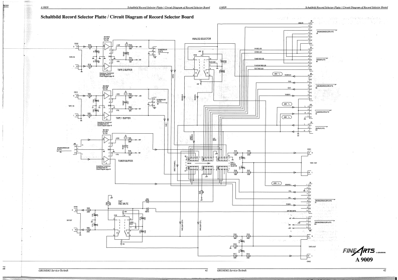
F尔T5.SERVICE MANUALHIFIService⊙Btx*32700#ManualA9009A9009(9.55136-8151/G.LA1451个ar52到立u60gcoDGBInhaltsverzeichnisContentsSeitePageTechnische Daten.2Specification2Sicherheitshinweise........3-4Safety Instructions .........3-4Ersatzteilliste...........5-9List of Spare Parts.5-9Ausbauhinweise.......10Disassembly Instructions...10Explosionszeichnung11-12Exploded View....11-12Druckplattenverbindungen.1.3-14Connections of Printed Boards…13-14Abgleich ...15Schaltbild:Circuit Diagram:.....16Notes......16NFPlatte,Kopfhorerplatte19-20AF Board,Headphone Board1920Klang-,Lautstarke-,Potentiometerplatte.....23-25Tone,Volume,Potentiometer Board........23-25Digitalplatte .....26-28,33-34Digital Board .......26-2833-34Source Selector Platte.........37-38Source Selector Board..............137-38Record Selector Platte...41-42Record selector Board41-42Bedien-,Lampen-,RC 5-Platte5-46Control,Lamp,RC5 Board........45-46Netzteil-,Netzschalter-,Infrarotplatte147-48Mains Unit,Mains Switch,Infrared Board ..............47-48Druckplattenabbildungen:lllustrations of Printed Boards:NF-Platte,Kopfhorerplatte .......17-18AF Board,Headphone Board.....................17-18Klang-,Lautstarke-,Potentiometerplatte ..................21-22Tone,Volume,Potentiometer Board......................21-22Digitalplatte.29-30 31-32Digital Board .............2930,31-32Source Selector platte.35-36Source Selector Board.35-36Record Selector Platte.39-40Record Selector Board.....39-40Bedien-,Lampen-,RC 5-Platte ...43-44Control,Lamp,RC 5 Board ..................43-44Netzteil-,Netzschalter-,Infrarotplatte.47-48Mains Unit,Mains Switch,Infrared Board......................47-48Anderungen vorbehaltenPrinted in GermanyService Manual Sach-Nr.72010-720.75Subject to alterationVK2250392Service Manual Part No.72010-720.75
请登录后查看评论内容