Ecler-MPA4_80-pwr-维修说明书手册含电器原理图

Ecler-MPA4_80-pwr-维修说明书手册含电器原理图-找手册网
Ecler-MPA4_80-pwr-维修说明书手册含电器原理图
此内容为付费资源,请付费后查看
1921
立即购买
您当前未登录!建议登陆后购买,可保存购买订单
付费资源

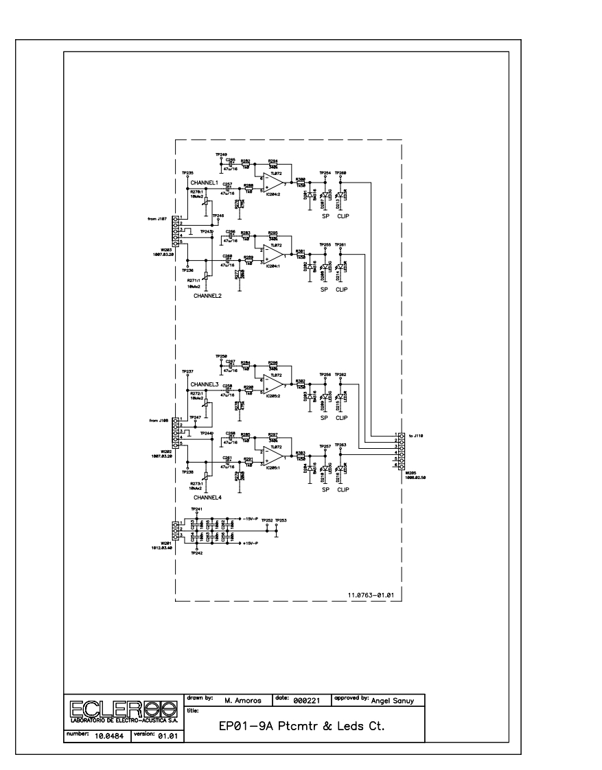
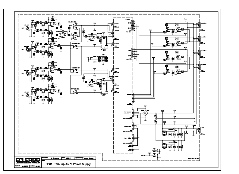
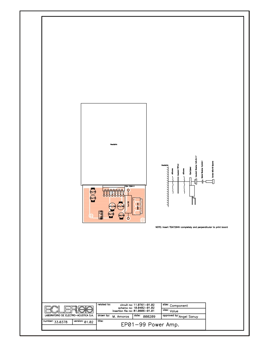
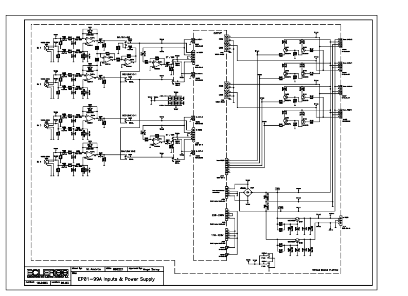
第1页 / 共102页

第2页 / 共102页

第3页 / 共102页

第4页 / 共102页

第5页 / 共102页

第6页 / 共102页

第7页 / 共102页

第8页 / 共102页

第9页 / 共102页

第10页 / 共102页
试读已结束,还剩92页,您可下载完整版后进行离线阅读
THE END
MPA4-80MPA6-80SERVICE MANUALECLER3MPA 4-8089品mECLERS©OHELMPA6-80珍"海迹迹套珍O AMPUFERECLEROOAUDIO CREATIVE POWER
喜欢就支持一下吧
评论 抢沙发

请登录后发表评论

    请登录后查看评论内容