Ecler-PAM2600-pwr-维修说明书手册含电器原理图

Ecler-PAM2600-pwr-维修说明书手册含电器原理图-找手册网
Ecler-PAM2600-pwr-维修说明书手册含电器原理图
此内容为付费资源,请付费后查看
1921
立即购买
您当前未登录!建议登陆后购买,可保存购买订单
付费资源

第1页 / 共107页

第2页 / 共107页

第3页 / 共107页

第4页 / 共107页

第5页 / 共107页

第6页 / 共107页

第7页 / 共107页

第8页 / 共107页

第9页 / 共107页

第10页 / 共107页
试读已结束,还剩97页,您可下载完整版后进行离线阅读
THE END
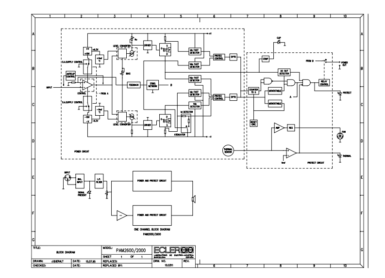
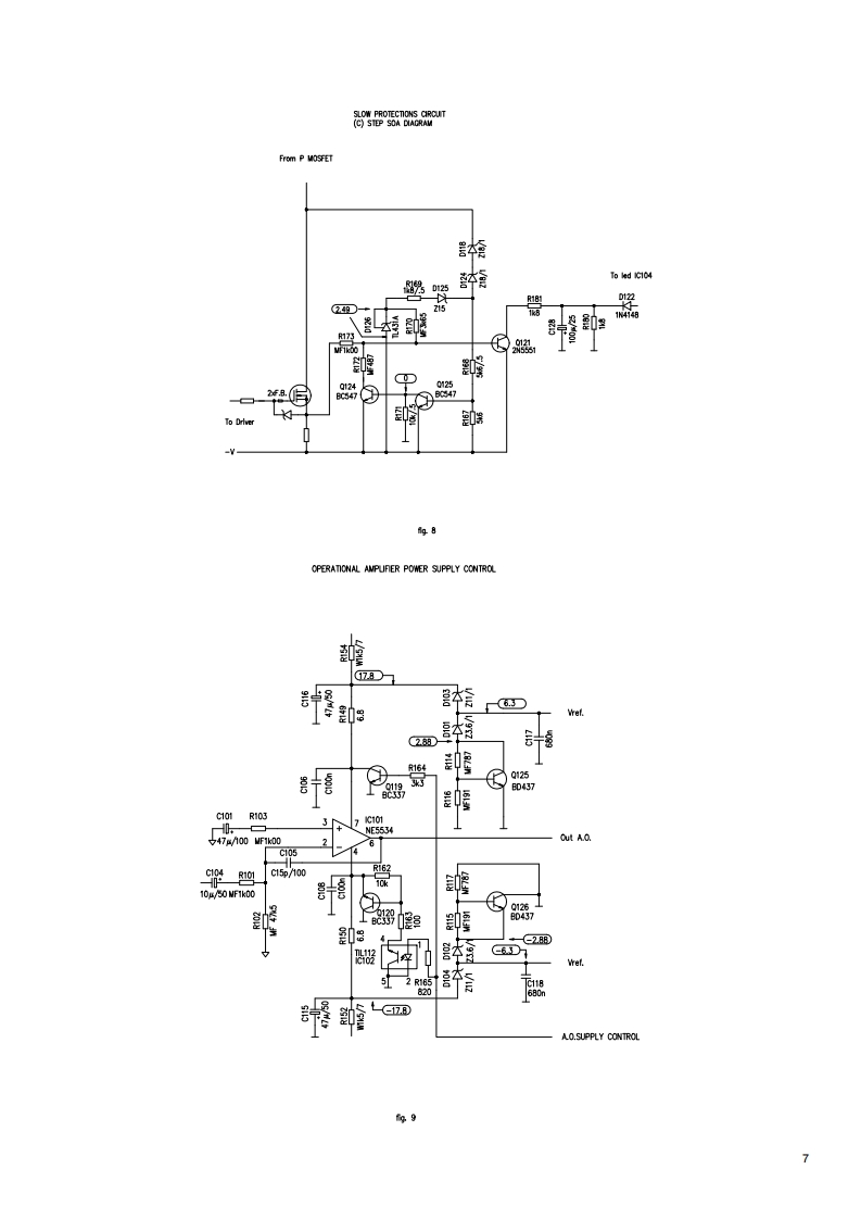
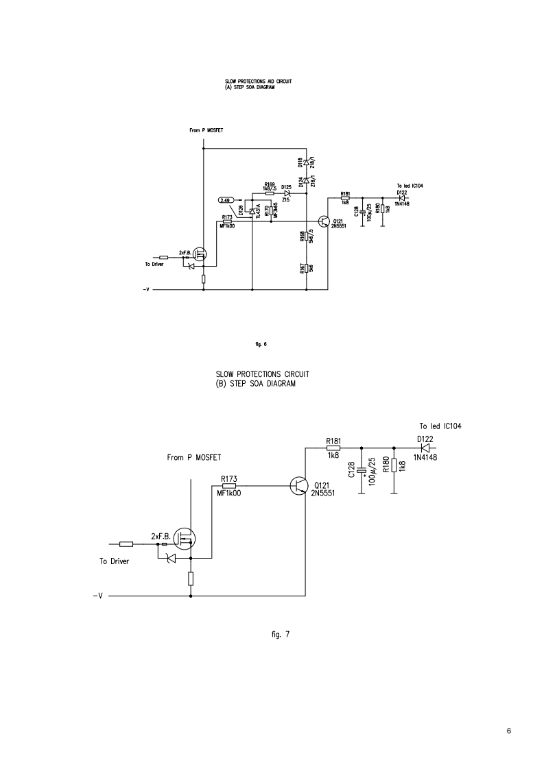
PAM2600/2000SERVICE MANUALECL巨R囹每海g:gg:曰PAM 2600OSWITCHING POWER MOSFET AMPLIFIERECL巨H米囹每每SPMPAM2OO▣OSWITCHING POWER MOSFET AMPLIFIERECLEROOAUDIO CREATIVE POWER
喜欢就支持一下吧
评论 抢沙发

请登录后发表评论

    请登录后查看评论内容