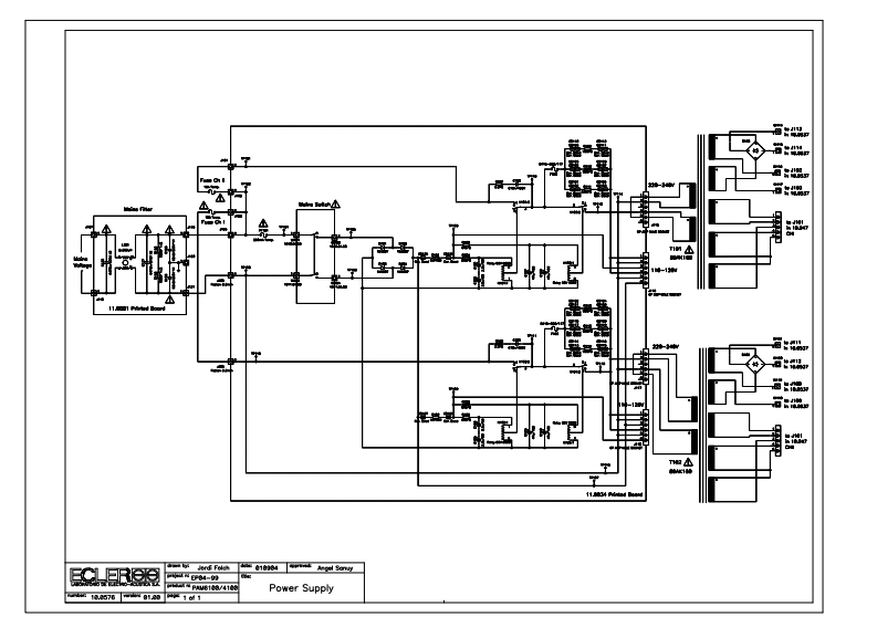
Ecler-PAM6100-pwr-维修说明书手册含电器原理图

Ecler-PAM6100-pwr-维修说明书手册含电器原理图-找手册网
Ecler-PAM6100-pwr-维修说明书手册含电器原理图
此内容为付费资源,请付费后查看
1921
立即购买
您当前未登录!建议登陆后购买,可保存购买订单
付费资源

第1页 / 共109页

第2页 / 共109页

第3页 / 共109页

第4页 / 共109页

第5页 / 共109页

第6页 / 共109页

第7页 / 共109页

第8页 / 共109页

第9页 / 共109页

第10页 / 共109页
试读已结束,还剩99页,您可下载完整版后进行离线阅读
THE END
PAM4100PAM6100SERVICE MANUAL沙百沙三ECLER8O回PAM4I000逊目透目WEC▣omH回PAM⑤IOOECLEROOAUDIO CREATIVE POWER
喜欢就支持一下吧
评论 抢沙发

请登录后发表评论

    请登录后查看评论内容