

第1页 / 共16页

第2页 / 共16页

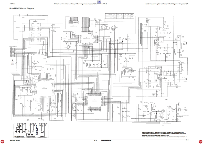
第3页 / 共16页

第4页 / 共16页

第5页 / 共16页

第6页 / 共16页

第7页 / 共16页

第8页 / 共16页

第9页 / 共16页

第10页 / 共16页
试读已结束,还剩6页,您可下载完整版后进行离线阅读
THE END
GRUnDGService ManualAudioK-CDP 66酒SKP-SEARCZusa tzlich erforderl icheAdditionally requiredService Manuals for the Complele ServiceBtw*32700#ServiceServiceManualManualSachnummePart Number 72010-755.05K-CDP 66SicherheitAnderungen vorbehaltenSafetySubject to alterationSachNr/Pat NoSach-Nr/PartNoPrinted in Germany720107550572010800.00VK2310797
请登录后查看评论内容