

第1页 / 共64页

第2页 / 共64页

第3页 / 共64页

第4页 / 共64页

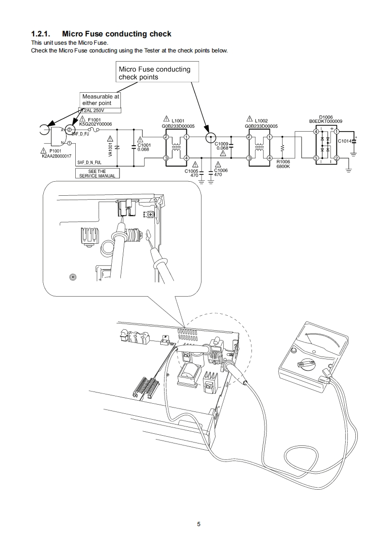
第5页 / 共64页

第6页 / 共64页

第7页 / 共64页

第8页 / 共64页

第9页 / 共64页

第10页 / 共64页
试读已结束,还剩54页,您可下载完整版后进行离线阅读
THE END
ORDER NO.CHM1003007CEService ManuaBlu-ray Disc PlayerModel No.DMP-BD45GADMP-BD45GCDMP-BD45GNDMP-BD45GWNotes:These model's BDP/Digital P.C.B.DMP-BD45GTModule are-RFKNBD45GATRFKNBD45GCTRFKNBD45GNTDMP-BD45PURFKNBD45GWTRFKNBD45GTTDMP-BD65GNRFKNBD45PUTRFKNBD65GNTDMP-BD65PURFKNBD65PUTRFKNBD65PXTDMP-BD65PXCaution:Vol.1Pairing of BD Drive and Digital P.C.B.as "BDP/Digital P.C.B.Module"have to be replaced together.ColourIf the either BD drive or Digital P.C.B.is changed,(K).Black TypeBD Drive unit has to be re-aligned.Because thealignment data for BD Drive Unit is stored in Digital P.C.B.Panasonic Corporation 2010.PanasonicUnauthorized copying and distribution is a violationof law.
请登录后查看评论内容