yamaha-vss30-维修电器原理图手册

yamaha-vss30-维修电器原理图手册-找手册网
yamaha-vss30-维修电器原理图手册
此内容为付费资源,请付费后查看
1921
立即购买
您当前未登录!建议登陆后购买,可保存购买订单
付费资源

第1页 / 共9页

第2页 / 共9页

第3页 / 共9页

第4页 / 共9页

第5页 / 共9页

第6页 / 共9页

第7页 / 共9页

第8页 / 共9页

第9页 / 共9页
已完成全部阅读,共9
THE END
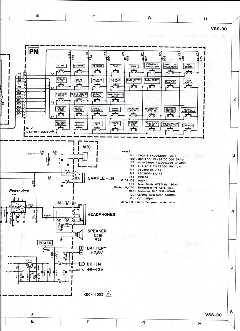
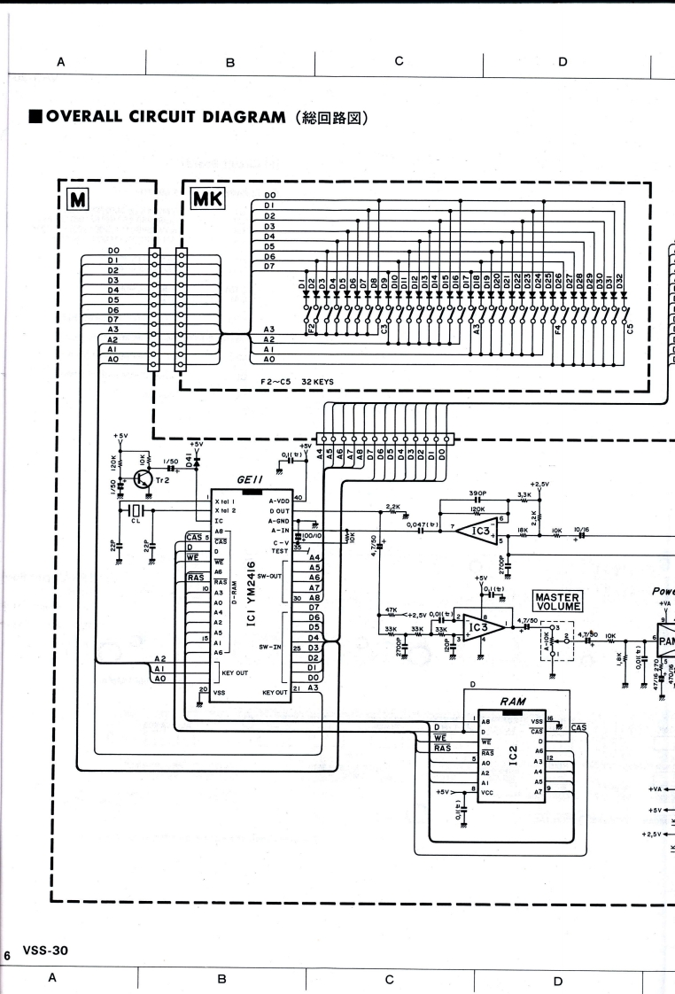
23616V5S30YAMAHA PortaSoundVSS-30SERVICE MANUAL帮项圆CONTENTS(目次)SPECIFICATIONS(糯合仕横)…1PANEL LAYOUT(*儿L亻了夕卜)…2LSI DATA TABLE(LSI端子機能表)…3IC BLOCK DIAGRAM(ICブ口y夕☒)…CIRCUIT BOARDS(之一卜基板☒).4OVERALL CIRCUIT DIAGRAM(回路☒)…6PARTS LISTSINCE 1887001314YAMAHANIPPON GAKKI CO..LTD.HAMAMATSU.JAPAN3.48K-66 Printed in Japan '87.6
喜欢就支持一下吧
评论 抢沙发

请登录后发表评论

    请登录后查看评论内容