日本古野FURUNO-csh8lmark2_安装调试说明书手册_mar_2020

日本古野FURUNO-csh8lmark2_安装调试说明书手册_mar_2020-找手册网
日本古野FURUNO-csh8lmark2_安装调试说明书手册_mar_2020
此内容为付费资源,请付费后查看
1921
立即购买
您当前未登录!建议登陆后购买,可保存购买订单
付费资源

第1页 / 共90页

第2页 / 共90页

第3页 / 共90页

第4页 / 共90页

第5页 / 共90页

第6页 / 共90页

第7页 / 共90页

第8页 / 共90页

第9页 / 共90页

第10页 / 共90页
试读已结束,还剩80页,您可下载完整版后进行离线阅读
THE END
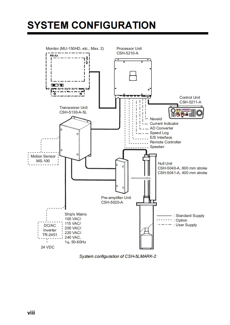
FPNOPERATOR'S MANUALSCANNING SONARCSH-5LMARK-2-55CSH-5LMARK-2-68CSH-8LMARK-2-85ModelCSH-8LMARK-2-107(PRODUCT NAME:FULL-CIRCLE SCANNING SONAR)8FURUNO ELECTRIC CO.,LTD.www.furuno.com
喜欢就支持一下吧
评论 抢沙发

请登录后发表评论

    请登录后查看评论内容