

第1页 / 共66页

第2页 / 共66页

第3页 / 共66页

第4页 / 共66页

第5页 / 共66页

第6页 / 共66页

第7页 / 共66页

第8页 / 共66页

第9页 / 共66页

第10页 / 共66页
试读已结束,还剩56页,您可下载完整版后进行离线阅读
THE END
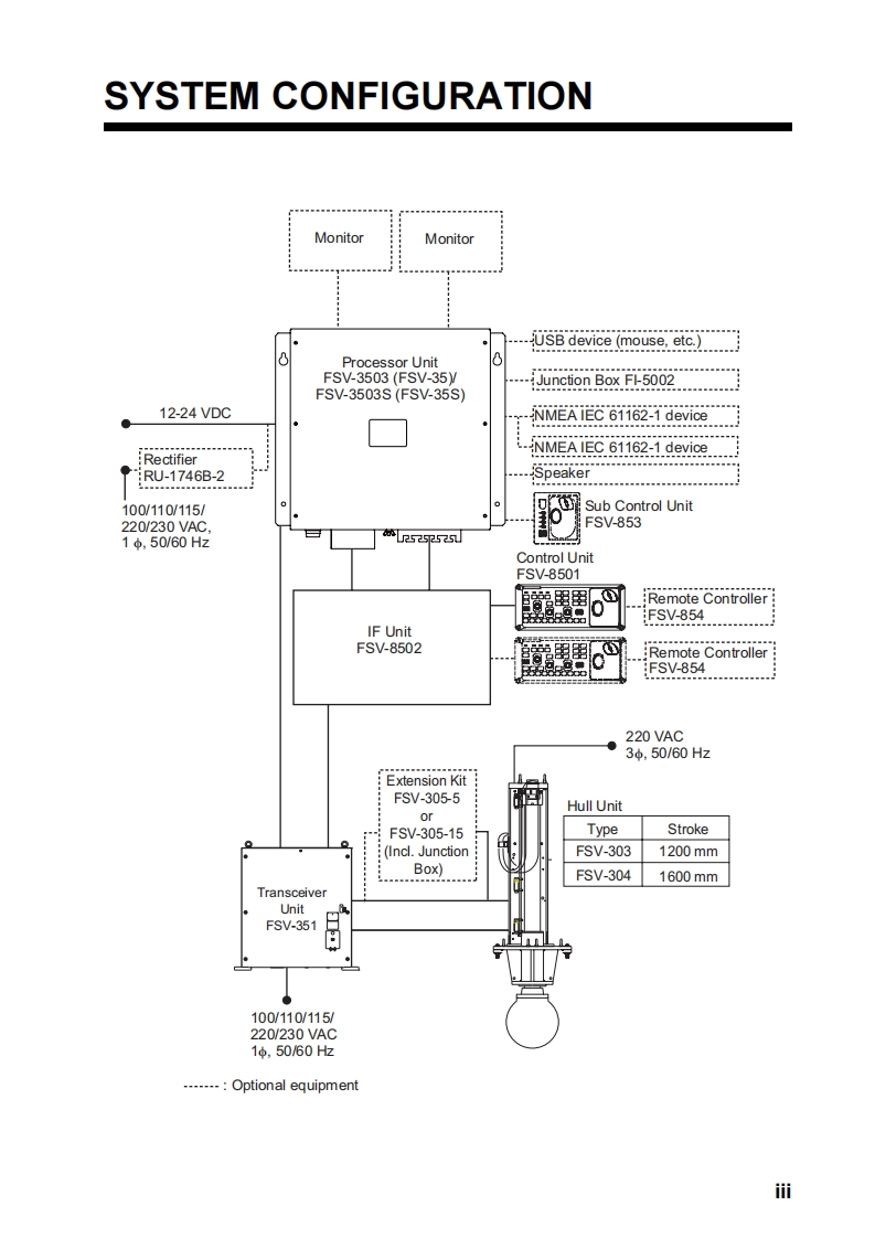
Installation ManualColor Scanning SonarModel FSV-35/FSV-35SSAFETY INSTRUCTIONS.....................SYSTEM CONFIGURATION....EQUIPMENT LISTS..................1.HOW TO INSTALL THE SYSTEM.......1-11.1Hull unit..1.2Processor Unit.….1-1.1-71.3 Control Unit.1-91.4 Transceiver Unit...............-111.5Transducer Cable Extension Kit..1-121.6 IF Unit.............1-131.7Grounding the Equipment..............1-131.8 Attachment Flange (option).....1-131.9Attachment Kit (option).......1-142.VIRING....................2-12.1 How to Use the Crimping Tool,Pin Extractor.2.12.2How to Connect Units....2-22.3 Processor Unit..2-32.4IF Unit2-62.5Control Unit and Remote Controller..............2-92.6Transceiver Unit..........2-112.7Transducer Cable Extension Kit.2-142.8Control Box of Hull Unit..........2-152.9 Input Voltage and Fuses..............2-163.ADJUSTMENTS AND CHECKS......3-13.1 Hull Unit Check......3-13.2 How to Adjust the Heading ................3-33.3 How to Configure the Own Ship Mark..3-43.4 Others Menu...3-5APPENDIX 1 JIS CABLE GUIDE.........................AP-yPACKING LISTS....................A-1OUTLINE DRAWINGS.............D-1INTERCONNECTION DIAGRAM....S-1FURUNO ELECTRIC CO.,LTD.www.furuno.comAll brand and product names are trademarks,registered trademarks or service marks of their respective holders.
请登录后查看评论内容