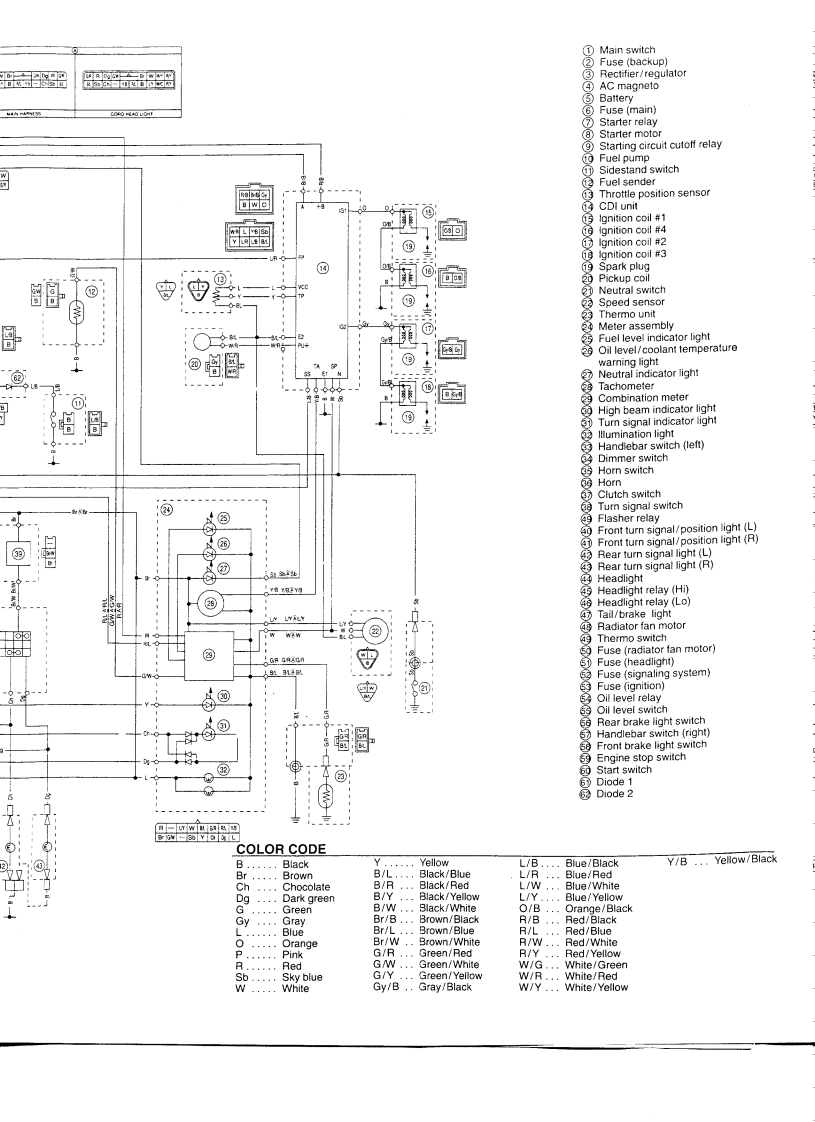
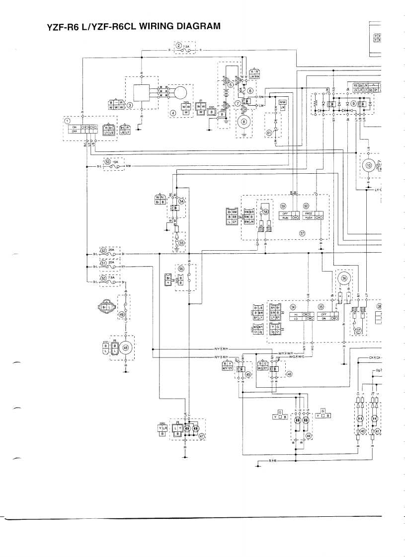
Yamaha-R6_manual_wiring找手册网25天前发布关注私信0.19MB2页035Yamaha-R6_manual_wiring此内容为付费资源,请付费后查看¥19¥21黄金会员免费钻石会员免费登录购买付费资源 第1页 / 共2页 第2页 / 共2页 已完成全部阅读,共2页 THE END雅马哈机车 文本预览 YZF-R6 L/YZF-R6CL WIRING DIAGRAM⑥8▣密迪⑩UH①:商4卧唱©墨翩-Ch4Ch-0。 查看更多 收起部分 喜欢就支持一下吧收藏
请登录后查看评论内容