

第1页 / 共29页

第2页 / 共29页

第3页 / 共29页

第4页 / 共29页

第5页 / 共29页

第6页 / 共29页

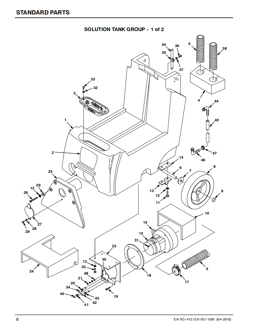
第7页 / 共29页

第8页 / 共29页

第9页 / 共29页

第10页 / 共29页
试读已结束,还剩19页,您可下载完整版后进行离线阅读
THE END
TENNANTEX-SC-412By Tennant CompanyEX-SC-1530Portable Carpet ExtractorParts Manual@0Model Part No.:9007478.EX.SC-412(120V)9007488.EX.SC.1530(230V09007820.EX-SC-1530(100V09007492.EX-SC-1530(220V09007818.EX.SC-1530(240V50hz)EMCTENNANTwww.tennantco.comN▣BLE5www.nobles.com旦i▣To view.print or download9007441the latest manual,visit:Rev.04(07-2019)www.tennantco.com/manuals
请登录后查看评论内容