

第1页 / 共43页

第2页 / 共43页

第3页 / 共43页

第4页 / 共43页

第5页 / 共43页

第6页 / 共43页

第7页 / 共43页

第8页 / 共43页

第9页 / 共43页

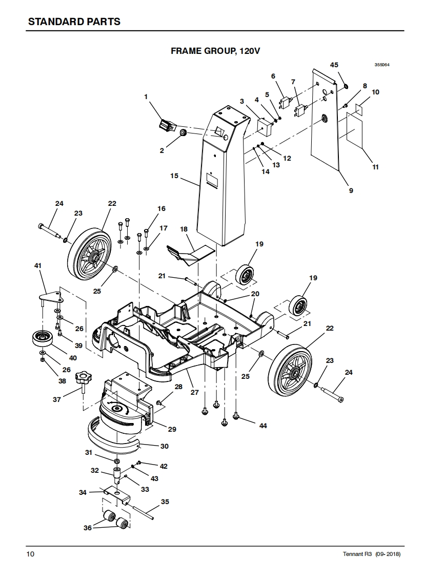
第10页 / 共43页
试读已结束,还剩33页,您可下载完整版后进行离线阅读
THE END
TENNANTR3Carpet Cleaner(S/N10000000-20000000)Parts ManualModels9004192-R3120V9016546-R3 w/Iris 120VREADYSPACE⑧More than clean,it's ReadySpace.North America Japan旦i▣For the latest Parts manuals and other9006287language Operator manuals,visit:ReV.07(09-2018)白落唐www.tennantco.com/manuals
请登录后查看评论内容