

第1页 / 共64页

第2页 / 共64页

第3页 / 共64页

第4页 / 共64页

第5页 / 共64页

第6页 / 共64页

第7页 / 共64页

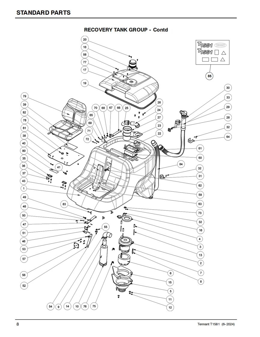
第8页 / 共64页

第9页 / 共64页

第10页 / 共64页
试读已结束,还剩54页,您可下载完整版后进行离线阅读
THE END
TENNANTT1581Rider Floor ScrubberParts ManualModel Part No.:LPTB03507-SCRUBBER [T1581,105CM DISK,W/O BATT,NA]LPTB03508-SCRUBBER IT1581.100CM CYL.W/O BATT.NA]TennantTrue@PartsNorth AmericaTo view.print or downloadthe parts manual,visit:9022706www.tennantco.com/manualsRev.01(06-2024)
请登录后查看评论内容