

第1页 / 共31页

第2页 / 共31页

第3页 / 共31页

第4页 / 共31页

第5页 / 共31页

第6页 / 共31页

第7页 / 共31页

第8页 / 共31页

第9页 / 共31页

第10页 / 共31页
试读已结束,还剩21页,您可下载完整版后进行离线阅读
THE END
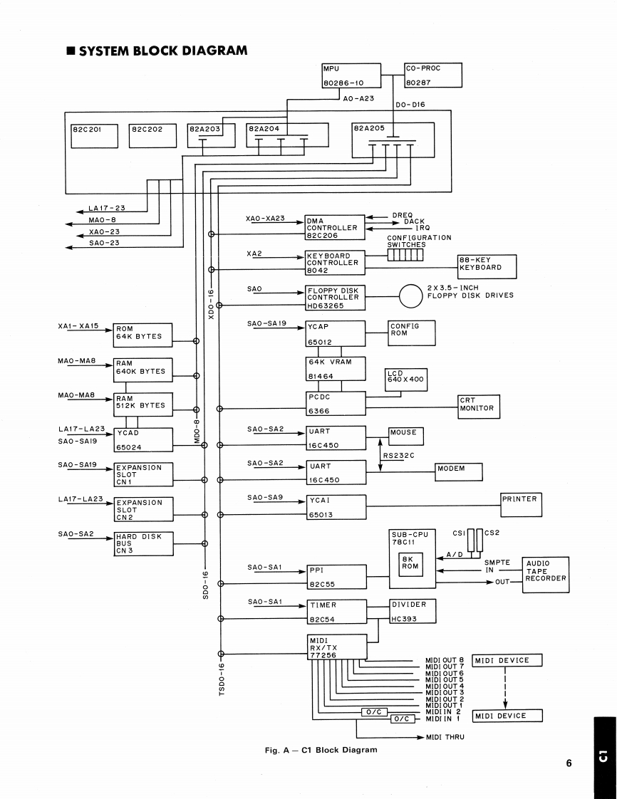
MUSIC COMPUTER1SERVICE MANUAL■CONTENTSImportant Notice144491Specifications1Product Summary…2Basic Functions and Features.................2Parts and Controls3System Block Diagram…6POST (Power-On Self Test).12Disassembly Procedures15Printed Circuit Boards.........................................20Parts ListSchematic Diagram006870YAMAHA CORPHAMAMATSU.JAPAN0.9K-3281 C Printed in Japan 9/88
请登录后查看评论内容