

第1页 / 共13页

第2页 / 共13页

第3页 / 共13页

第4页 / 共13页

第5页 / 共13页

第6页 / 共13页

第7页 / 共13页

第8页 / 共13页

第9页 / 共13页

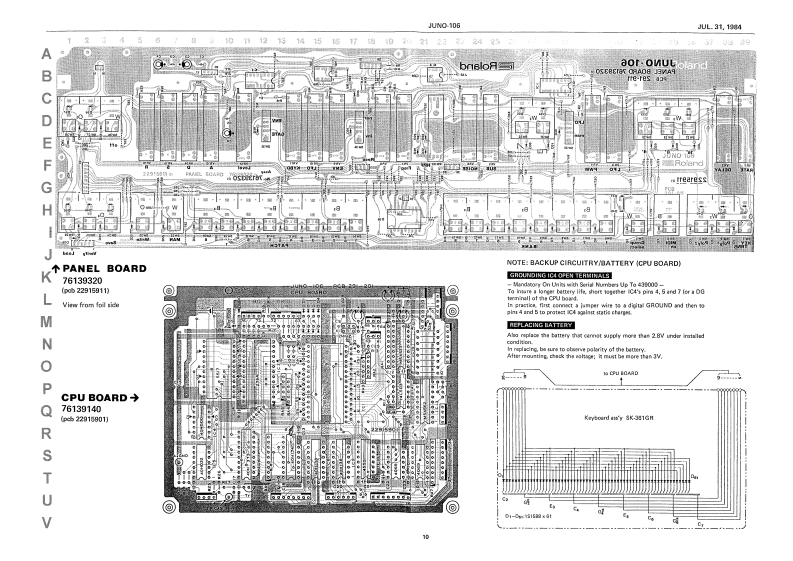
第10页 / 共13页
试读已结束,还剩3页,您可下载完整版后进行离线阅读
THE END
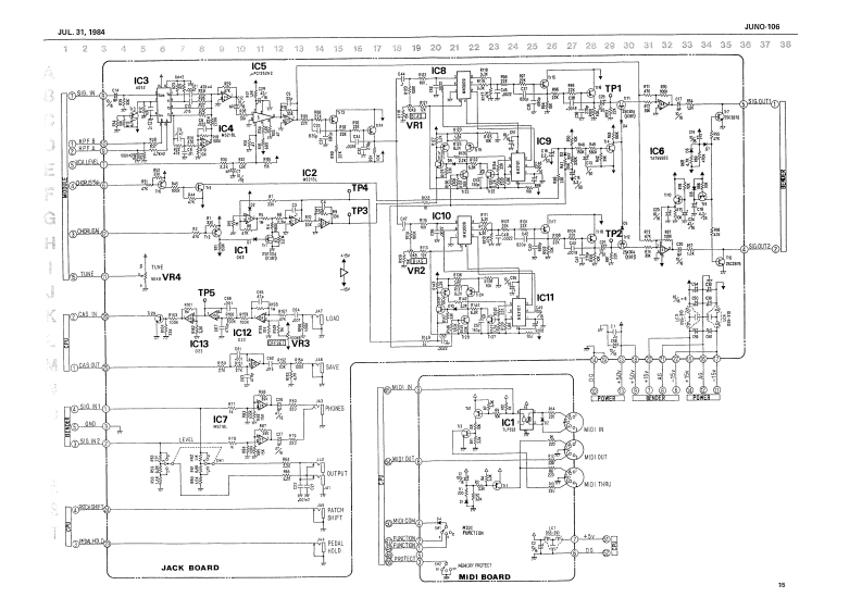
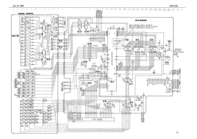
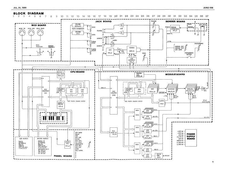
UL31,19B4JUNO-105JJN▣-MO6SERVICE NOTESU laadiFirst Edition151391410011w5131SPECIFICATIONSKEYDOARD61k%5 ocat Cc物ENVATTACK TIME1.53hDDECAY TIME满133网15n49t2TUNE±50c6SUSTAIN LEVEL51s80%LFO NDO.480arRELEA线TIMG1452BENDERLFOsRATEPe Br 2pet.DELAY TIME003测RESOMANCE●特f aneila:cnIV NoD.AUDIO OUTPUTL:-20dDm:M:-15dimg35cctrnH:0dBmBENDER生3GctsKEY FOLLOW*1-20wBancar board-99[1x2201D12004mm4A0幼1/10Mx125810%×T61224134-11/00aWEN3HT10g27hMsetoat017POWER CONSUMPTION 25W (20W-100V)SB转盒九中13N185330nuo-3出a0ls蜘aMK1A44 2A(131401281ar11502112岁1勉11脑1421142Snichet2212551的2212551912224610Tog pind (2221542mLED LB-07VA21(1507917c作4明的A4114220115W22WMI▣3解5431HL元4300-4t034A福136期224271722A0OHTANENTD ONFFehmounting hole-SCUAE0C8m6U格e Parts Not司5K31GA7139290dencer ass'yP02327551川心t仔513绳134RolandPrintod in Japan
请登录后查看评论内容