

第1页 / 共14页

第2页 / 共14页

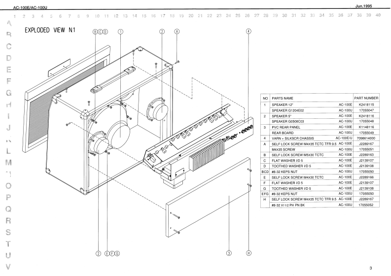
第3页 / 共14页

第4页 / 共14页

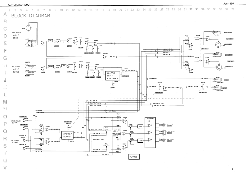
第5页 / 共14页

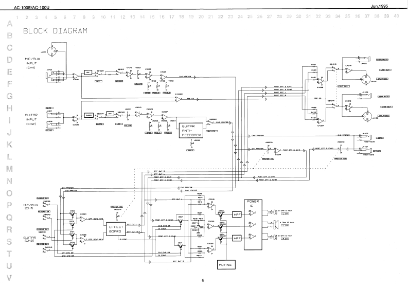
第6页 / 共14页

第7页 / 共14页

第8页 / 共14页

第9页 / 共14页

第10页 / 共14页
试读已结束,还剩4页,您可下载完整版后进行离线阅读
THE END
0ct1995AC-100E/AC-100UAC-I口▣E/AC-I▣▣U SERVICE NOTESAddendumNOTICEMEMOThe Service Notes for AC-100/AC-100u that has heen issed in Jen 1995 hn an err wih nmioion poge uf"EFFECTPCH ASSYACIRCUIIT DIAGRAMrkt可tnho米pleawe add (orfile)thisade址ndn in the fint page of the service aoles (oued i Jan阴5到heraure the tihke nf c四trt由博hatged.注意截告Tv草tA罗儿上a℃,二建减常免行政儿车寸,钟一世兴’一》方最和D心一仁圈巴T使用L℃下,%(日次6要夏总九T生十,》TABLE OF CONTENTSPagesEFFECT PCB ASSYadd 2CIROUIT DIAGRAM ILFFECT DOARDadd 2SPECIFICATIONSLOCATION OF CONTROLS2EXPLODED VIEW N.1EXPLODED VIEW N.2BLOCK DIAGRAMBLOCK DIAGRAM往意:二②%一y注5%一罗D内溶上重恢L℃1生寸物心解特上L℃下总GUITAR CH PCB ASSY-MIC/AUX CH PCB ASSY7CIRCUIT DIAGRAM [GUITAR CH BOARD MIC/AUX CH BOARDIPOWER IC PCB ASSY-JACK PCB ASSY-POWER AMP PCB ASSYCIRCUIT DIAGRAM IPOWER IC BOARD-JACK BOARD-POWER AMP BOARD)0PARTS UST AC-100E/AC-100U or AC-100CHADJUSTMENT8题g万09年玲年8回3a55"5。日0年存年4加9每ag可B可an3Roland 17059810copptate iws by nouo conronATON Printed in Japan AFB0 [DP)add 1
请登录后查看评论内容