

第1页 / 共17页

第2页 / 共17页

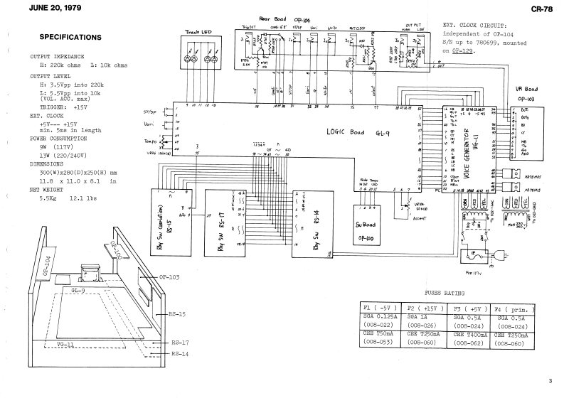
第3页 / 共17页

第4页 / 共17页

第5页 / 共17页

第6页 / 共17页

第7页 / 共17页

第8页 / 共17页

第9页 / 共17页

第10页 / 共17页
试读已结束,还剩7页,您可下载完整版后进行离线阅读
THE END
JUNE20,1979CR-78LDCIE TYMECLSMJ4LS174.SN74LS175.F40175CR-78SERVICE NOTESITO MIM司命向向向向向尚向的可的的觉Panel no.235Pot.EVHCOAP25B14(072-235】LYP6卫001-1CKL029-410)(026-021)Knob Ko.43[016-048jPot.BH0AP2515oootoo吧呵pg中响gSwitchS8N010(026-024】1001-242】LY6卫001-50团Knob No.43n013aKnob no.44029=411}(016-043》In using P40275,[016-044》reter to notewithDECODERS/DEMULTIPLEXERSon pag8日.LBD 8LP-131B53SDG5P(001-215】100W《001-241j001-2刀6117WODLF孔EDTY%FLPFLO81019-013)220/2407《016-080)001-217)4STO到TALdKnob Mo.81重4FLL0(D16-06m】帝高尚尚向向后3A202BLED 8LP-151B red(019-013)1001-244)8xitohSvitch3HL0231A-3254四TRUTNTAOLESd44(001-243》】,001-245]OUTPUTSSviteh0101SvitchKGA100373L-82号(001-273线:4特时(001-246):p-Ep+oKnob No.67ASYNCHRONOU省备尚尚卡司立(016-067)SwitchNPUTOUTPUTS31-号228witch(002-21)中用81H-522DD(001-231)女中99g9世品Switch80PA2KCA100370a8;1B888(fo0t)Na.20(001-239)(001-273》111-0203UFE2{001-240)ButtonaF40O1GD24NJTw0我aaT6OUT(016-00eGray82H4x60016-05尚品尚点品尚Red016-e7Greeno Lo016-c0Yellow016-c09Blue3v1tcbH图w0572-01-03019ck8307622#8(009-012)DL001-206J女tawoeRolandP,情同s0nal32毛2
请登录后查看评论内容