

第1页 / 共18页

第2页 / 共18页

第3页 / 共18页

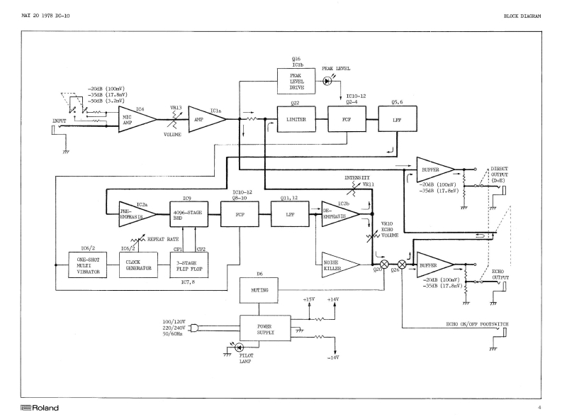
第4页 / 共18页

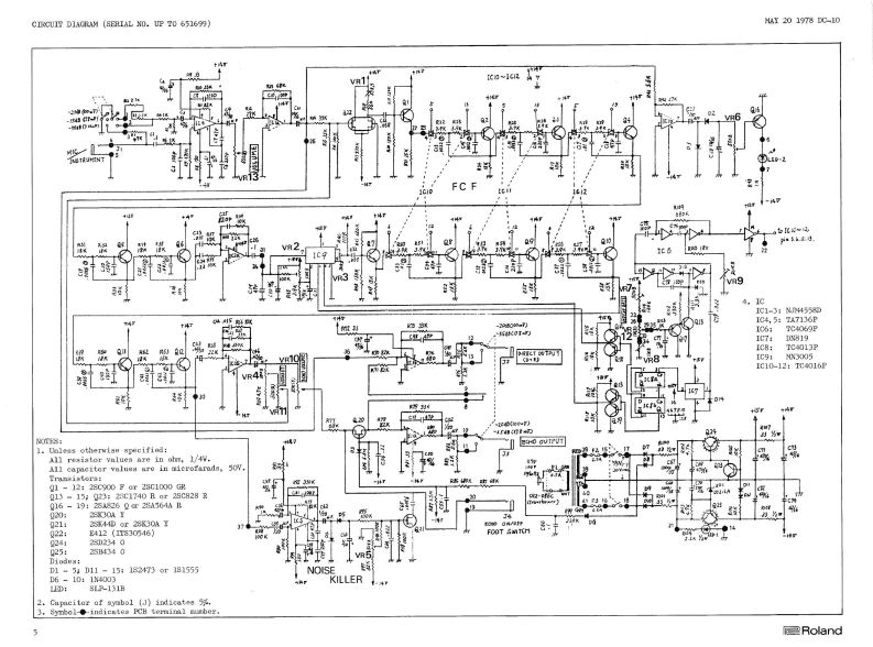
第5页 / 共18页

第6页 / 共18页

第7页 / 共18页

第8页 / 共18页

第9页 / 共18页

第10页 / 共18页
试读已结束,还剩8页,您可下载完整版后进行离线阅读
THE END
MAY201978DC-10ANALOG ECHODC-10C ON T EN T SSPECIFICATIONS..··DISASSEMBLY·CIECUIT DESCRIPTION,·········,·,·····,,……………2-3BL0 CK DIAGRAM,。,。,,。,,·,·········。··CIRCUIT DIAGRAM (SERIAL NO.UP TO 651699).....................................5PCB ET-20A(SERIAL N0.UPT0651699)·..,·6CIRCUIT DIAGRAM(SER1ALNO.651700ANDHΠGHER)·..·.··....·...·.·.··7PCBE-20B(SERIAL N0.692450 AND HIGHER)·.........·.........8-9CBE-20B(SERIAL N0.651700-682499).............10ADJUSTMENT,,,。。,,。,,,,,,,,,,,。*·11-13PARTS I1 LUSTRATED.····..·.······。14-15PARTS LIST,.·Roland
请登录后查看评论内容