

第1页 / 共21页

第2页 / 共21页

第3页 / 共21页

第4页 / 共21页

第5页 / 共21页

第6页 / 共21页

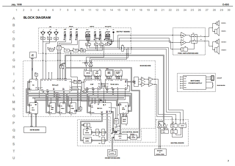
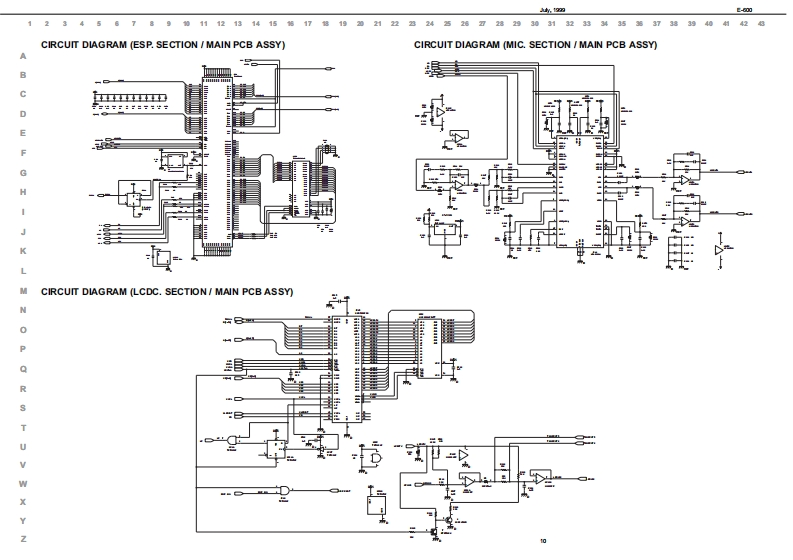
第7页 / 共21页

第8页 / 共21页

第9页 / 共21页

第10页 / 共21页
试读已结束,还剩11页,您可下载完整版后进行离线阅读
THE END
%1999E-600E-6口▣SERVICE NOTESSPECIFICATIONS●aycdFirst edition81 Keya0x128 dabadtL的a中han3ha中轴MWLyrica an doplry and vi MO OUTINTELLIGENT KEYE▣A▣B4-V石ICE POLYPH▣JYIssued by RES.WhahEducalanal Gami an diplry-Adjatbl Sp能回tOne Touch (Pna Organ threa tpeL Arangar)-L短2 intamal Uher Pro停raTABLE OF CONTENTSPage-口Me AmingrSPECFICATIONS-aual自umyx看Cortrdlenbl山a出gLOCATION OF CONTROLS●Sound Sour ca世通m。地hEPLODED MEW23Canbma to GMSWRING DIAGRAM解do Pdyphamy物也h边analcraphane Va山meKEYBOARD PARTS UST420umsn卡1xatAhaddBARTS USTBLOCK DIAGRAMnp轴8,与ComectoraMAIN PCB ASSYMnber Tunngubut Jadka (L/Mand,风)CRCUIT DIAGRAM-MAIN PCB ASSY●由CRCUIT DIAGRAM.ESP SECTIONMAIN PCB ASSYMDIIN CUT THRUCRCUIT DIA GRAM.MIC.SECTIONAMAIN PCB ASSY10-Chau的pa)-sphr风ac线bhyd40 hartyp室0p,a幽n拉a维hd妇CRCUIT DIAGRAM-LCDC SECTIONAMAIN PCBASSY0●的cdc与INVERTER PCB ASSY GRCUIT DAGRAMAMPUAER PCB ASSY CRCUIT DIAGRAMHrmarbto-y电aa恤mln脑agc迪童LCD CONTROLPCBASSY CIRCUIT DIAGRAM12Ogtl E如t0白mx23mx2OUTPUT PCB ASSYCRCUIT DIGRAM OUTPUT PCBASSY得CONTROL PCB ASSY14卫址a酯ower com u picnCRCUIT DIGRAM CONTROL PCBASSY5Sa Canvarter置W江0的RGHT&LEFT CONTACT PCB ASSY WRUBBER CONTACT&ORCUIT DIGRAM1TEST MODE17/21Op●ComposerSagueno迪rpe18心a看Dimansicm1 sang (010)100x410o联40Hmm)你ymmp脑心aphicMatroname月甲y0kDHww塑如npe甲ydbk2000的nd an flappy d放hr Prograrr an Fl甲y故n物DISASSEMBLY15x65dfT甲ng5awCad J220Copyfght 1999 by ROLAND CORPORATIONRolandSN00030K6018353Printed in ltaly (AC00)(AD)1
请登录后查看评论内容