

第1页 / 共15页

第2页 / 共15页

第3页 / 共15页

第4页 / 共15页

第5页 / 共15页

第6页 / 共15页

第7页 / 共15页

第8页 / 共15页

第9页 / 共15页

第10页 / 共15页
试读已结束,还剩5页,您可下载完整版后进行离线阅读
THE END
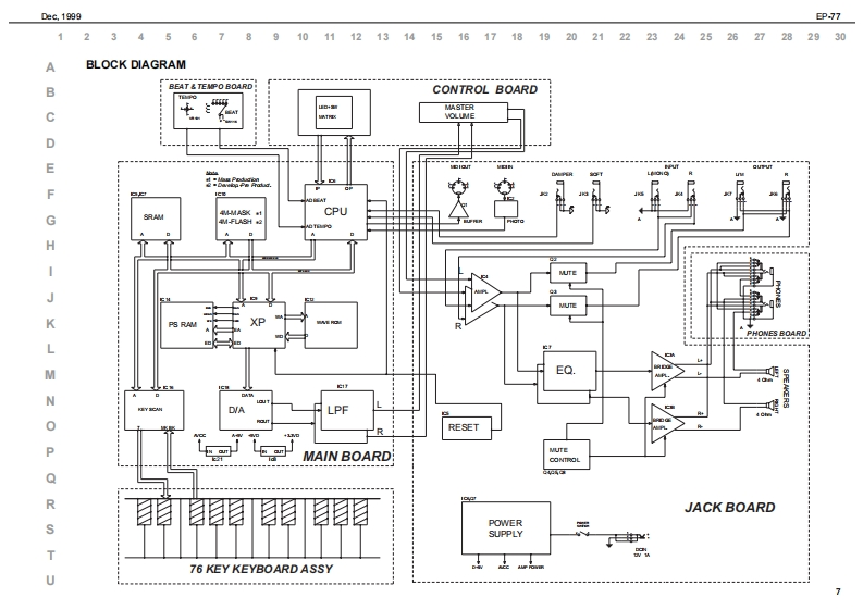
Dec,1999EP.77SPECIFICATIONep-77DIGITAL PIANOSERVICE NOTESFirst editionKEYB OARDEAKE智港女adya储hach-aruifty1em x2Issued by RESK灶YBO4 D MODECONNECTORSWhoh,LayerMA之DLYPHONYhdc息na用Padal connector x 2 (Dampar,Sof)acaaTONESTABLE OF CONTENTSPageah白ge山SPECIFICATIONSnal,Pina或E.Pinna Wbrap hane,Harpnichord,Ogp作OWE典LLYAD-12V 1A AC-AdaptorLOCATION OF CONTROLSsw偶cet人EXPLODED VEW3MASTET店NGnng他.J地年41s3壮4g2地00m4KEYBOARD PARTS LIST4STAND EXI凡00EDEW3ER77T我ANSPOSEDMENSONS13梦Wx3甘梦国x0游9 nm Cwthout moale迪nPARTS LIST56y Kanapons传5 mfane迪BLOCK DIAGRAMEF性CBPHONES PCB ASSY CRCUIT DAGRAMo切WEICHTS15Kg.(aithoct mooe aand)CKP℃日AS3YChorua (O/ong找4G.ha立an过ORCUIT DIAGRAM JAOK PCB ASSY上TRONOMESUPPLED ACCESSO限ESBEAT TEMPO PCB ASSY CRCUIT DAGRAM108424Gtmw:s如aAC-AdipforMAN PC日ASSY10an立】ptOwnar'a MancalORCUIT DAGRAM MAINPCB ASSY由Swrth (DP2)CONTROL PCB ASSY CIROUIT DIAGRAM12T我ACKS代wh起an page5)RGHT CONTACT PCB ASSY WRUBBER CONTACT CIROUIT DIAGRAMOPTONSLEFT CONTACT PCB ASSY WRUBBER CONTACT CRCUIT DAGRAM13SONG止2 nd KS-EP.77TEST MODE14/151 sangNOTE STDRAGETEMPO0atda。4物w20然肚SOLUTON然比如parqaarter nohCONTRDLW&年,Rec,Tampo我ATED POWE身CUUTSWx 2DISASSEMBLYSELF TAP.SCREW 3.5x16 TCTCFRBZ ood.J2289131Copyfght 1999 by ROLAND CORPORATIONRolandSN00032K6018389Primed in laly (AC00)(AD)
请登录后查看评论内容