

第1页 / 共15页

第2页 / 共15页

第3页 / 共15页

第4页 / 共15页

第5页 / 共15页

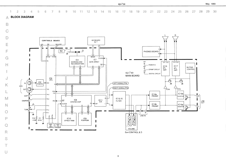
第6页 / 共15页

第7页 / 共15页

第8页 / 共15页

第9页 / 共15页

第10页 / 共15页
试读已结束,还剩5页,您可下载完整版后进行离线阅读
THE END
M.1g93ep-71eeo·7eSPECIFICATIONSDIGITAL PIANOSERVICE NOTESKeybeeed 76 weigmed hays wih touch-sonsivity.First EditionElfeets:Cho6,月aetReeerder VProvidos for rococing and playtsck.as well as lempo changes Ian recend a maxrrum of 4 piocosTABLE OF CONTENTSPageMastrer Tuning:+50/-50 cants.Buttons:Tompa Ad ustemont Butions (TEMPO)Recoxing buon [REC].Playbeck buton (PLAY).Volce......butors (PIANO 1.PlANO 2.ELECTRIC PIANO MBRAPHONE.HAHPSCHOHD OAGAN.STRINGS CHOIRIChon满Sutien (CHORUS]Rlerverb buton0闩EVERB)Domonstra的on bution [DEMO%Poer5 vch [POWE刊...........................................................2Knoba/Blldero:Tuning Kndb (TUNEI.Volume Contro Sider (VOLUMEX Piece Selection Slider (FIECE)Connoctors:AC Adaptor Jack [DC IN).MIDI Comeclors [NOUT).Pedal Jacks (CAMPER/SOFTI Output JacksSpenker:12 cm x 2Output:5W x 2Dimenslono:1139 (W)x 339 (D)x 100(H mm4413的X1338135M61hWelght:11 kg /34b/4oz (mitout AC adapior)POWER SWITCH PC8 ASSY [Or SWITCH BOARD)..............................................Pn满得r cancim时en:12灯n4电91CONTROLS PCB ASSY (or CONTROL BQARD]..................................................Ower's Manual MDI GuidoocatHEADPH0NE5PC8A53 Y (or HEADPH0NES0ARD…--……---·TCptior:Headpnones:RH-120 RH-80.RH 20RIGHT CONTACT PCB ASSY +RUBBER (or RIGHT CONTACT BOARD)............................8Pedas:DP-2.OP-6LEFT CONTACT PCB ASS'Y +RUBBER (or LEFT CONTACT BOARD)-.-........................-...9Owners Mannl E-DFI)K06015141MANB0 ARD PC8A55Y@raNB0AAD)……-10-12Power Adaetor AC 22022448911月TE8T00E44444414a1aa4441411a4444111111111n1n1113t113.142244601ACDATA BACKP...................................................-.-.-.-.-....-14Mu面R球8rM或Ae网22B04Pedal swich DP.2=卡卡卡卡中中有|GD月TA…………44415DISASSEMBLYJgck (atereolkD24-50061t3448阳日F民NT VEY↓dc27al ttt t面TTD例CWSLKSCREENED BOTTOM CRONET AGRY REMOMAL RCREW36 x as fait Tapping Stre TCTCPRDZRoland17059089irted in Japan [IF04eR角1
请登录后查看评论内容