

第1页 / 共28页

第2页 / 共28页

第3页 / 共28页

第4页 / 共28页

第5页 / 共28页

第6页 / 共28页

第7页 / 共28页

第8页 / 共28页

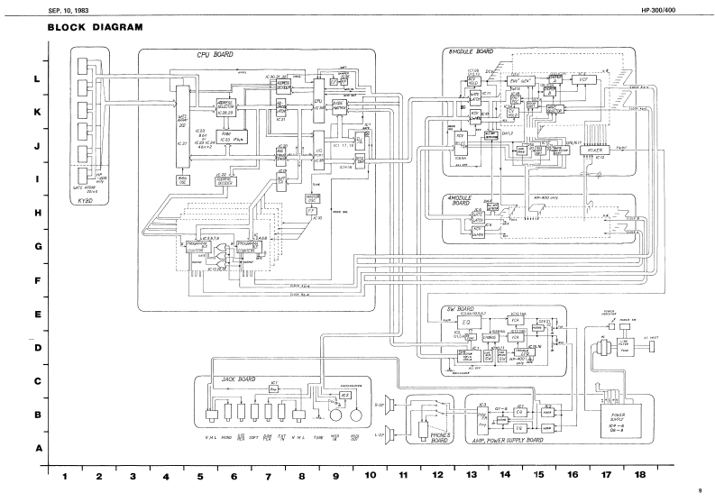
第9页 / 共28页

第10页 / 共28页
试读已结束,还剩18页,您可下载完整版后进行离线阅读
THE END
sEP.10,1983HP.300400HP-300/400SERVICE NOTESFRONT PANELSPECIFICATIONSFirst EditionKeybourd757F1G70H048hMA0C闭HP-400PanPiN 400Tremolo12器m61460H-40Tune;415Gwr率Spaakar18cm x 10 cm5 W x2ERRATA&又PPLEMENT is attach四盖十e end of the page.◆Pawer Conwption 40W (10001 17Vl,50 [220/240V)最缘真正正娱表&追加情颗标函可主,®的23的②Diraricra1106440D1880Hlmm438r1G0%17.5/160}K771G0inIHP-3001293W1x440001x180mnmIHP-4000REAR0-1/1w0x17-6161D)7-7/10nPANEL215ka47b.8旺H.0235a.51b.13@2.HP40836西由西边西201.Cabinet(61108020Hp-30016.Joint bolt JCBB-0205M 8 x 50mmC751000HP40017.Joint bolt JCBB-0207M 6 x 60mm2.5Pe3r22925G00列银Pet EWJ-E4363A1410kAx21219)细]Top parel71111214p-300Crob1224700Q11151280Hp400Pee.EVHBLA307115 100kn [13219343Muti:remt (22195608)Kneb224526M作4005.Muiie reit atoeper 2213532112拉8Mt动学0g09F1131292Muiie nat holder (221964061LED GL9HD51-A11502016017.F@t panel22215J77300HP300®u0n112476759TyG222117000HP-40021.SMh000F13128g27具Keyboard5X-47消AG7611724000R09LFD GLBHD51A 1160291601SK48A|B118240001Hp480utton [1247867 ivony HP-300 x 10 eck HL4308-01-0401144241)220TLn12%4107910▣10.Reinforeing board (21145160000)HP-30023th1知1012(1314912211451100HP40024.AC0 doat P4-128134297102P911.5hb0erd(2126173301ihtGM34134273→街肉12Gthb42121G1330川26.0W0cke1TGS535001:11111134296176W40ck1TG335401.1111I1342616Bam212151门1000HR.0027.Pe%.YH0TA50g1410kB113219401112121513200H400t58如b8ard11西1720014h投89o712Tep panel6 mowl scre码ot145nmH自Tapsing3g15mmp春H像435m.nLUXRolandPrinted in Japan B5-2
请登录后查看评论内容