

第1页 / 共24页

第2页 / 共24页

第3页 / 共24页

第4页 / 共24页

第5页 / 共24页

第6页 / 共24页

第7页 / 共24页

第8页 / 共24页

第9页 / 共24页

第10页 / 共24页
试读已结束,还剩14页,您可下载完整版后进行离线阅读
THE END
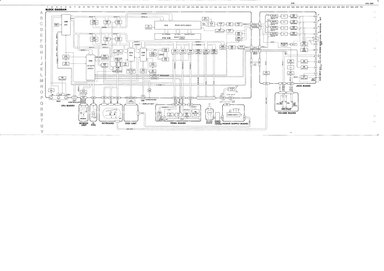
JAN.1987850s-5▣SERVICE NOTESFirs!Edition@@GoQ0雪@SPECIFICATIONS4t起ed:1长程棕翰HOLD/HEC STARTMenory Capscty L Patth sBGL物IaL2356t1表PEDAL EWS0V-5Va我A,是Tcr组,3nkD-aTammi白24A¥GU"ROk TTL ItuN Horironta Frg 15J5KHaMerory Sysltm35400NONOCHNDVE DOVPOSITE IVP-E×T CONTHOLLE满TTLImvl1.16M3量D1x92Hn8-7门gX1315W16x3-11n81m,4anMe时的+do IL山hG1n8.11心@@①@@自@①2ppy DiCa1 TER LEYT05YT的。程kXh0的As5a于m,Qurar's unall#T10时.D122493104F7.F82249310位-20dn naNAKDratructions an CRT市HEC.MIX2249510】IDIIOLAL OUTa种hASHEFT22471661A=+1ama0线①CPTIONSP划h:C2电海22416h0IT,1球224911060■4c0mmaw/1D01ew1DT-1007Expreion Pedsl EV-G22675445FLAY249j10像C=+2m1月民D +6cpm mas3xCths3Ca转8,91247113011475163H0860sn白agRGD 251 Forpis wb5,62431%21475662G-PAGE.PAGE1247176151R2N75666349J162143799224756602249310722473750224T3714FCD Co1,4214707992249319LPAIE SD.224151601640g132792EM RPEX10 15519394694145122739TABLE OF CONTENTS212244湾17120000P1联Pa四PVKF4经01EVU EXE2 CSCAUTIONS2ADJUSTMENT1H3422量211377080R一YK1142H7Y2H-0090PARTS LIST2,3KEYBOARD922213m8J442822124214000DISASSEMBLY号CPU BOARD10-131844KEYBOARD PARTSJACK BOARD14.1544BLOCK DIAGRAMVOLUME BOARD15军印oooCIRCUIT DESCRIPTION5-7PANEL BOARD16,17CHANGE INFORMATION89POWER SUPPLY BOARD18.19SOFTWARE VERSIONRGB CABLES20131410CMJ12290m1340WIDENTIFICATIONRGB SIGNALS TIMING DIAGRAM204N4In2134884H100WCe4e8细225的t联10WG13421YKB21-8011DISK LOADIC DATA21.22ERRORMESSAGESMIDI23,24Roland
请登录后查看评论内容