

第1页 / 共23页

第2页 / 共23页

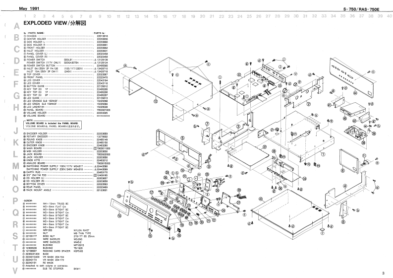
第3页 / 共23页

第4页 / 共23页

第5页 / 共23页

第6页 / 共23页

第7页 / 共23页

第8页 / 共23页

第9页 / 共23页

第10页 / 共23页
试读已结束,还剩13页,您可下载完整版后进行离线阅读
THE END
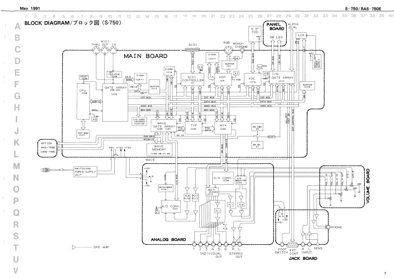
May 1991s-750/RAS-750ES-75▣/7AS-75▣ESERVICE NOTESSPECIFICATIONS/仕樣▣IGITAL SAMPLE7/MEM▣HYa▣AH▣First EditionSAMUNG 5YSTEV0445L24E2202承传TABLE OF CONTENTS目次Page母面20bSancart 2Mbyta fuly coanded 10Mtra ty NAS-T5E ard OMS75仕候444444444Tf件所释C,TA销24的LOCATION OF CONTROLS代实J配盟☒111一一行20性32面地【年0-30·EXPLOOE0VIEW分精四…ham中nc通Ivsics a:Fatec0w0Egtsl Hermsemie Diplarsian----iLs Tan t (A/D-D/A)“PARTS LIST-yy卡◆MUTSMOUSE [MU-1]7方天4人1】分标平厘-.4r to-Hai Comroul Wwmed·OCK DIAGRAM444444444444◆DUTPUT移CIRCUIT DISCIUPTIONMan.PelpleyTEST MODE一其七一++1+0地:儿转1特鱼物他回。1口ET无RSICN NUIMR5R10+13cBm (Max.Level at 1vocm far ott.Volume Man.]▣s75O/g7T9 CHECK D5K”MANUALFA=Nitei mors IhAn-笔anta}-IC DATA于—少卡车卡卡华卡卡140t城样4CIRCUT BOARD (ANALOGI+海ow:n).......15:Tti IMax.Lewel at Iyakcs fier oft.Wohare Mas.]CICUIT DIAGRAM (ANALDG)但3☒An3Ga44u44444444444441·CICUIT DIACRAM (MAIN》(Main)ewn一OcT神山恒》·CRCUT BOARD IMAI0Mmin77Gnou thomad BF-A Trpe.CRCUT BOARD (SWITOHING POWTR SUPPLY)1月●NTERFACCRCUT DIACRAM (SWITCHING POWER SUPPLYCRCUT DIAGRAM CMAIN)门19TTL LewelRGD CABLE◆Dt5KOVECRCUIT BOARDS (JACK VOLLME,PANEL)是新区kGum属Pn)●EC节汽A7CIRCUIT DIAGRAMS (JACK.VOLUME PANEL]网(lack.Velume,Pand)20RAS 750E仕排PARTS LIST(一y天k…RAS-7S0E/CMS-750 MANUAL FOR SERVICE216T/05CIRCUIT DIAGRAM (MEMORY)回钟区0 or mn4年1·CIRCUIT BOARD《MEMORY)SAMPLNG RATE/TIE0ne1M的1 Sand酒TW4手用4610TopFiset Panel12429165441包:时54a22323567222234T016Parel Cover CLatt)Pandl Cower (Righ32a142202234802202345边1141OMU-1)--15MOTE84a转2f0r0wwRoland17059E0间Printe in Japan AHOO (OP)1
请登录后查看评论内容