

第1页 / 共27页

第2页 / 共27页

第3页 / 共27页

第4页 / 共27页

第5页 / 共27页

第6页 / 共27页

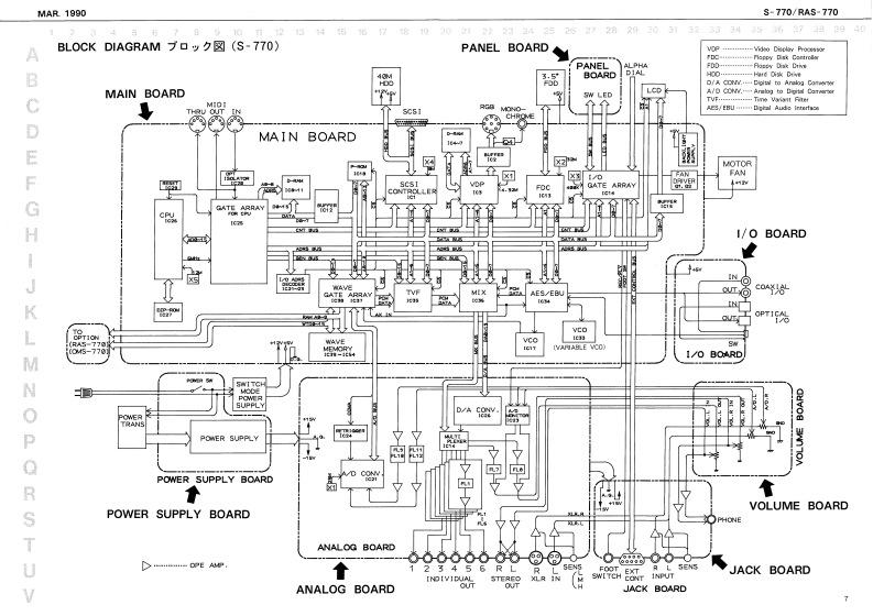
第7页 / 共27页

第8页 / 共27页

第9页 / 共27页

第10页 / 共27页
试读已结束,还剩17页,您可下载完整版后进行离线阅读
THE END
MAR.1990S-770/RA8-770S-77▣/A577▣SERVICE NOTESTABLE OFCONTENTS目次PageDIGITAL SAMPLER/MEMORY B0AAOFirst Editions770S-770SPECIFICATIONS (S-770)LOCATION OF CONTROLS代京儿配置闪2EXPLODED VIEW分因‘PARTS LIST=岁少之卜MOUSE (MU-1)72入MU-1)DISASSEMBLY PROCEDURES7w分解手顺BLCCK DIAGRAM口y國87CIROT DESCRIPTIONS国路解以CHECKING (PLL CIRCUIT)助作于x厚夕PLL回)89TROUBLESHOOTINGTEST MODE于天下无=书10.11"S-770 CHECK DISK"MANUAL岁-770 CHECK D5X“取保时男12-14NOTE (REPLACENG INTERNAL HARD DISK)肉量y一K于(又夕交镜時0生意14IC DATAC严=夕ANALOG BOARD了十口夕术一1617POWER SUPPLY BOARD面薄术一K16.1MAIN BOARD18.19.21SWITCHING POWER SUPPLY入千罗子少夕覆源20I/O BOARD/O术-Np-T7ERGB CABLE08ヶ-ブ儿21JACK BOARD5卡岁夕求一N1PANEL BOARD辛是术一NVOLUME BOARD求)ュ一4术一NRCHANGE INFORMATION贵更率内RAS-770RAS-770卡41线1P"SPEC白FICATIONS天风2夕0m0间02%141事州地有到1PARTS LIST《一岁少x卡1MEMCRY BOARD毛)一湘一F2,3TIMING BOARD多术三岁求一N2.3Top CawrFiont Pandl22023434122213311一F0um0knwt35T30gF100Panel Cover (Lefo(124001852202348220223459mNate Soe 0og0 2 ter more doras。CAUTION:an5nen&uo coov od hand disk白tn生量!:八-F(三步8T,97y了多止3T《老a4RolandPrinted in Japan Al-2 (DP)1Cepyright 1190 by NoLAND CORPORATION
请登录后查看评论内容