ROLAND_SC-8820_维修手册电器原理图

ROLAND_SC-8820_维修手册电器原理图-找手册网
ROLAND_SC-8820_维修手册电器原理图
此内容为付费资源,请付费后查看
1921
立即购买
您当前未登录!建议登陆后购买,可保存购买订单
付费资源

第1页 / 共19页

第2页 / 共19页

第3页 / 共19页

第4页 / 共19页

第5页 / 共19页

第6页 / 共19页

第7页 / 共19页

第8页 / 共19页

第9页 / 共19页

第10页 / 共19页
试读已结束,还剩9页,您可下载完整版后进行离线阅读
THE END
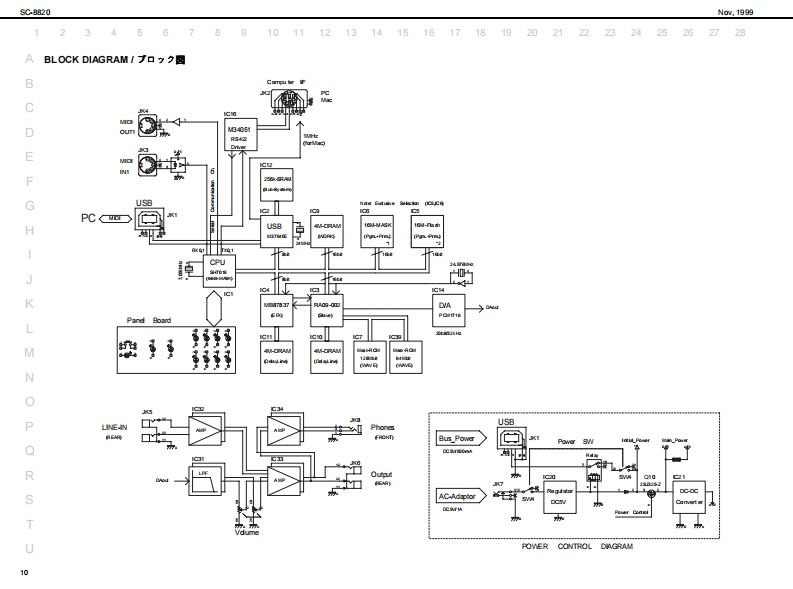
No,199的SC820SC-8820SERVICE NOTESSPECIFICATIONS主套仕檬Me出上Sound Camvas Sc-刻20制显名:T7之F▣李女之本天0超过(0 emeral M0Saam/0sFem周(M乡天乎五/G87有一7y卜封老)souDCanvasFirst EditionIssued by RJA·M2ropa票-卜数Madmum Poly phany康量大同外见岩数840eeu约64音(多4天)Table of Contents目次Pag°SPEOFICATONS主套仕得康内政音色1LOCATION OF CONTROLS】配置8aund山e:43C820SC超AaSC-8.SC-5)雪色7?寸:4℃的边父加,C8,蛇到Preetsand:1808EXPLODEDVEN_分解习号七y卜色数:⑧的Drum sound set:63F?五音色七yk:的P纸TS LIST山e用DENTFYING VERSON NU相ER3一千一音色数:车儿风一夕】之十之川一0授方进VERSION UP5-63一f一”F?五者色七yk:车UTEST MODE_于2非毛一E6-7.es●五7玉夕kBLOOK DAGRAMRewa中径y国到号床一方(8华最)CIRCUT日Q9O板习g10Ches经ym到3一3天(8华据)路题-11-174业4(10期)2物P▣4334f-nsertion EMeet84p送约4之1一乡■之:玉7五夕k〔84据)●4天Power ndeter门一”之号竹一事一US8 indeer始《之梦方一一Pat lvd indicar (PARTA.PART B)一卜·内w4之y方一多一P眼TART的.Cemecters●接奖梯子MDIcomoebrs ON 1.OUT 1WDI3夕一0NAN的Aue年dak同4”y卡"9年y夕(天乎青)Aulio Oupu id同Haa年ones p以s线i4Geti0d9了寿”门养夕一U88 comecter始门7李一Power Su甲y重面源DC 9V (AC Adaeter)C9W(C7)多-jRoland nsr MwA附A用0.Power Cansumption●清8C-8820400m40w修曲r室s02都用5的m●最大外形达的(幅)x59(典行)x35(商3)mm80x8-40)美-380H)is,eg性0.4●a14e2,oow丝ais●村黑品AC0PT0RC20C000s8万AC7y3-A0-10C00四057C220C008312取接杭转書和文7150了尚C8-230正045827商C8240以124054取极航锈答菱文雪1以的回保短普4四运四PNL)Qe的nar Jap4ne。58074写a750310h he interestefpredudimprevonet the垂制光品7卫1一一"方一得to change winout prior neloC1N(0u创E冫”华号了春满同)C14T(日-妇E冫·乡号了4满同)Copyright @1999 ROLAND CORPORATIONCi气(甲d女eh两)A rghts reserved.No part of ths pulicaon maybe reproduced in any fom without the wrimen pemisson of黑制品的仕模。老本口养根出.数良的上必于告车《更有OLAND CORPOR可ON本害可一都.毛L(住全部老唐℃被写·起载有石已上态禁北1寸+17059999Primed in Japan(GE0e网1
喜欢就支持一下吧
评论 抢沙发

请登录后发表评论

    请登录后查看评论内容