

第1页 / 共17页

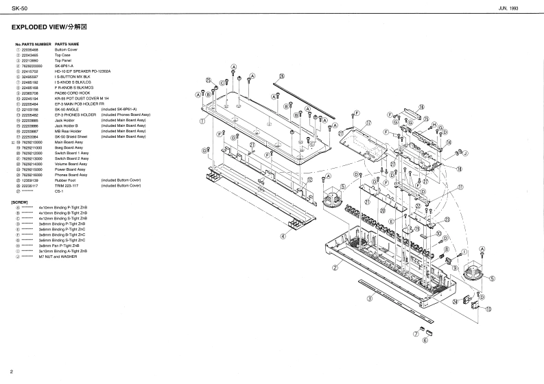
第2页 / 共17页

第3页 / 共17页

第4页 / 共17页

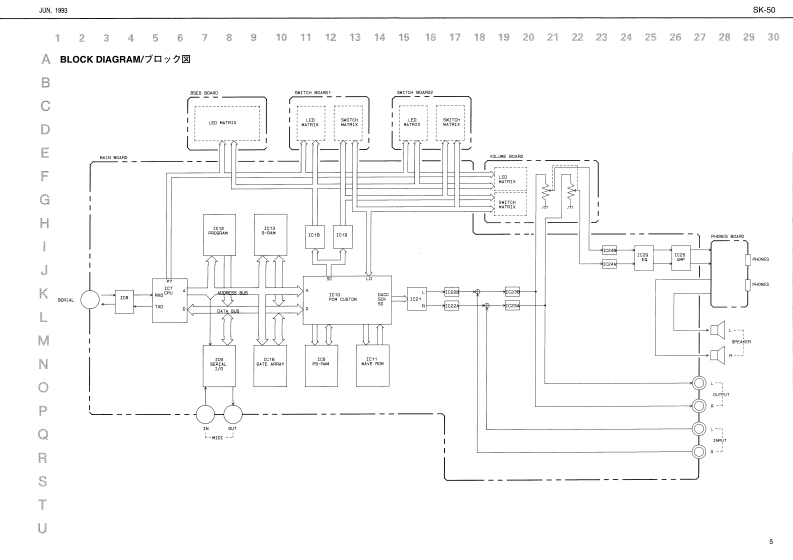
第5页 / 共17页

第6页 / 共17页

第7页 / 共17页

第8页 / 共17页

第9页 / 共17页

第10页 / 共17页
试读已结束,还剩7页,您可下载完整版后进行离线阅读
THE END
M队16SK-50/SK-50VLOCATION OF CONTROLS/バ礻L配置图SK-50/SK-SOIV SERVICE NOTESsK-5▣VAULTI TI日RAL KEY3口AH▣Second EditionOTE:The ports mar时diterent coio时Frt注意:具生机招品过.色是功品★Issued by RJALEDSK-S0V is a oelour wrsion el 8K-50同速其之卡功之岁商品,,:工一夕年5球0诗16e35SK-50V consista of compononts idanticnl lo these used lorK-W上5求约漫注,卡y7心来是,州多類功色的SK.50 oxcapt for the lollowing which ararolated to to ditoronce in colou.X33V,m,y)了4一二的色的建柱上0,下视龙基品松计球-知上道生十and SK-50.and should be used in coniunction wit the舌九风外:21℃15K-50的特一比方/一多(1Tmw09:servioe notee(#17069705 issuod in Jun 19930)for BK-50.1四年6月免行}登参期L℃下3。Difference between SK--50 V and SK-50/SK-60IW之sX-50②rf-yy又下比敕PART NAME/部品名9K.50WSK-50hoy/Pf求y-l0 ark Grmy/岁=夕艺=Ta0C20/k?子行-29y-1220434SK-EGI-AKEYDOARD ASSY0kGay/岁-夕岁-72220000T甲ar/卜z于中Kncb,llutton司2.COMPUTERFR-KNOB S MOG/LOGFRKNOB S BLKMCG22410Gy/7=022415106s%/黑术堂POWER-BUTTON MX-MCGIS-BUTTON MX BLK13110143248363Gy/7-32435590EX/黑pN6eck编Da1文1250VCLUMES-KNCB S自aLCa224652Gwy-124519火/黑AS-KEYTOP SO2H NOGAS-KEYTOP SDOH BLKNambor B月e间223610G/12749422410k/里BANK DOWN/UP.MASTER MIDIAS KEYTOP MOH MCGAS-KEYTOP MX2H BL风22952☒1)Ga/7(22486230川Bck/黑2130L430e81-303018446418448FATAS-KEYTOP NDIH MCG22495234G/5143ea两TCH BEND,KEY THANEPOSr45-K广YT年PLE界4年CAS-OSTTOP UDSH RLKCHORUS REVERB PART.224952371@y/5022452360ak/黑Music Rast.■立00a7C4r8G膨/y-t透明221936g5同ela-a/宽Packng Ci/精包树◆X-538 V Packng Caan◆gK-0 acking Can1001013171d2803390302dL*P82284535*PadR.-224537Roland1705005Prinkd in Japen (C0o (CAI
请登录后查看评论内容