ROLAND_SPH-323_维修手册电器原理图

ROLAND_SPH-323_维修手册电器原理图-找手册网
ROLAND_SPH-323_维修手册电器原理图
此内容为付费资源,请付费后查看
1921
立即购买
您当前未登录!建议登陆后购买,可保存购买订单
付费资源

第1页 / 共5页

第2页 / 共5页

第3页 / 共5页

第4页 / 共5页

第5页 / 共5页
已完成全部阅读,共5
THE END
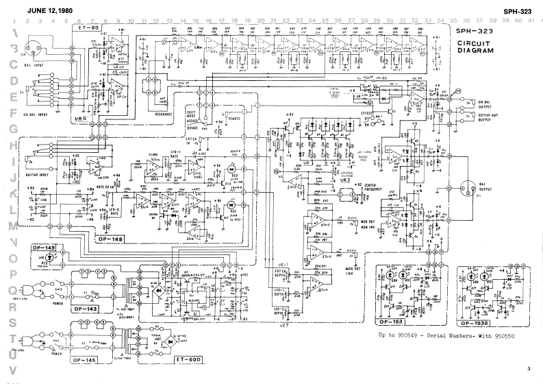
JUNE12,1980SPH-323SPH-323 SERVICE NOTESPOVER TRANBPORNERPOMER SVITCH96N《022-086n31G5001-1(001-215)960《022-CE6C11773g5001-2(001-216,17V186D(022=06D220/24073G5P5024001-217)220/2407Hamonic DistortionEHect OFF0002¥BUTTON No.9 BLKSPECIFICATIONS4-stagn:0.015016-009)8用0.仅%.PHASE SHIFTER.SPH-303Reaidual Noise ("A"WeightedMaximum Ingut Lavel/Impedance-IUdem+20dBm/15Bslaneed outpul,eflect ON:Unbalanced:+20d0m/150-80d8mGiurtar+20c8=r1M0Gunar Output,offoct DFF.Maximum Output Lavel/impodance-100d由E3a2wt日:+20u8m2000Low Frequency OscillatorsUnbalanced:+20gm/600IBSER FDOrLF0.1:Q0a比5Guta:Amp+20d日m/30triange wnve 10Vp-pK-5111-037)Phase ShiftLF0-202H210504:年-g1男日0apprx 004--COVER H-59pp0m1400-1n0e600100-0Power Conaumetion:7W65959)Conter Frequency Sweep Range:5Hz-15kHzMACHINE SCREWFrequency Response.effect OFF.(M4X/2 LK20Hz-30kHz:+1dB19'IELA-2UI nack mountWeight:42gPANEL No.285061264(072-295JHANDLE(J08H003)LEDJackPot.8witch1IR-124redBVH6PA361BL5mJ0190-KVE6PA361B148I月-02203Y019-028)(026=430】01-020025-427(001-280TLG-124 greenKnob no.44(009-050】(Knob no.43019-029】(016-044》(016-043)hen order1ng里CONTROL BOARDLED BOARDFUSE BOARDsuffix alphabet ifHex900P-1480P-1490P-143(149-143】100any.Hay be inprovedhead bolt149-148)《149-149vith Serinl Wumber.0P-244(149-14411770P-145《149-145)220/240WblackINDICATOR BOARD0P-153LED(149-553)TIR-124red{019-026JACKHLJ-0235-01-060(009-049)PERNINALPOTENTIOMETER11-9-4EV阳6PA361=1阳6PK2Q(042-041)Jack00,771016-077》LED redBwitchJackRBCEPTACLEuJ0190-01-00里6t.《026-420》GI¥AR23TR-02203m0190-01-020C-3FP orBFFEOT BOARDJACK(009-046HBCEPTACLRgV且6PS61人15(019-020)】4001-280)(009-050)且A16FR-8(010-263)31-60(151-060)HL5-0102-01-040NG-Dor队16R3F(009-015)J010-264RolandPrinted in Japan AC2 1
喜欢就支持一下吧
评论 抢沙发

请登录后发表评论

    请登录后查看评论内容