

第1页 / 共16页

第2页 / 共16页

第3页 / 共16页

第4页 / 共16页

第5页 / 共16页

第6页 / 共16页

第7页 / 共16页

第8页 / 共16页

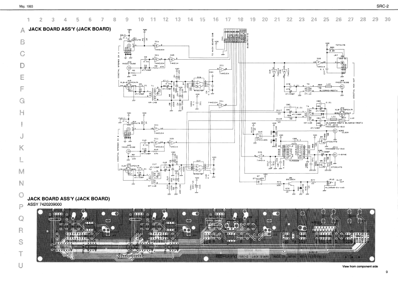
第9页 / 共16页

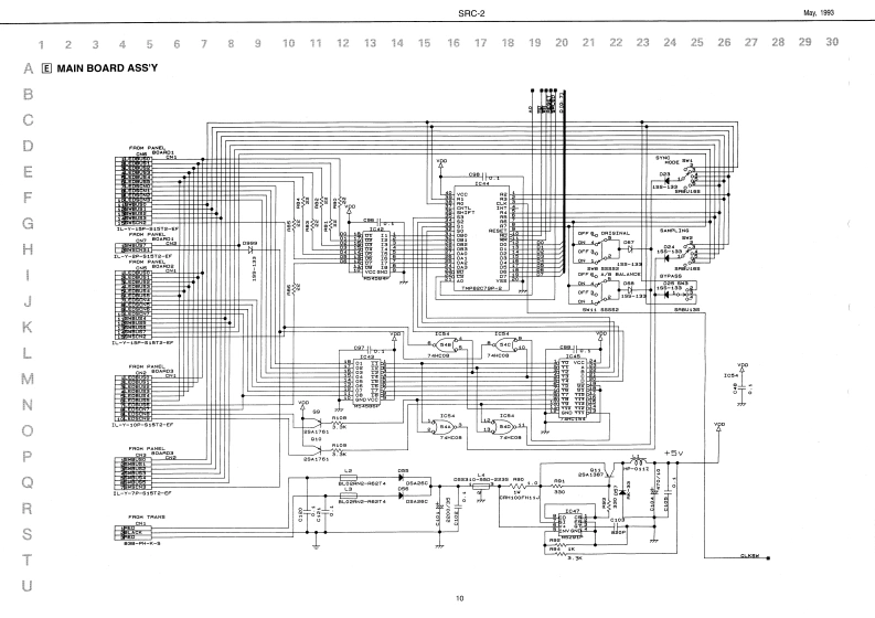
第10页 / 共16页
试读已结束,还剩6页,您可下载完整版后进行离线阅读
THE END
N38的SRC-2SRC 2SERVICE NOTESSPECIFICATIONS/仕樣■ONITAL SFEREO IDUAL SAMPLE RATE CONVERTERFirst EditionOWN BALAHCEGnL的COUTRUF 0CIeM4U四3dLET作e3hadTABLE OF CONTENTS目次Page特行年场看口SPECFCAT...............1L0CATl0WOFC0NT月0g:11114i111:/《京配图☒n1111n1n1n1n1n1n1n11n1n1n1n1n2■2T45一PRDV CAFTLREB0 CK DIAGRAM44411144114▣ブ口y夕区4a1a1a1n1a111n1a1a1111a11■3+线.nN”是安daPEXP儿C0 ED VIEW.......4a14a1n11:分解E11s1n11=1n1=111111111111:4有aEnO到PA月TS5T4444444na0nn1s1s1n:=y又卜1111111111tn1n1111:5的yea通mE可RALOIEMINYTTCTEST MO0呢aat1a111于又卜天=下111111111n1n8,7-pcor山anDyfid siral bw I物起ahgp甲FH且D生eEP0R0PT0 NAL MO0FCA0W0ySPC-2=·SPC-2)梦-E又划店0变更E一LT,7。1地4udto出刻w0制通细EL BOARDASGY.............PANEL BOARD ASSY..............8woR3CLDCXJACK B0ARDA85Y.JACK BOARDASSY....gu4机时ueu北CCu Ont AMAIN BOARDA88Y........................MAIN BOARDASSY..................100-15-W28n32通■L0uIWUEF-3K TYR I DC=W阵上口D&UE3据LET生1为h恤o过4a深,每4绿t3你i每ax1t学Ormdlgurw七线,特回+6州I0主Qn心e6U1:60o示+海/看表L流恤1酒C健60第所时/满t4e为mw0日+●/鱼且心刻、赠神代的4满,场/参e洲-GC海领TW1排TiCNOR汽联Hua deeTE9s4090Ce0aBo到00军Roland17059679PHM6间插Jh年nDE0C用1
请登录后查看评论内容