

第1页 / 共23页

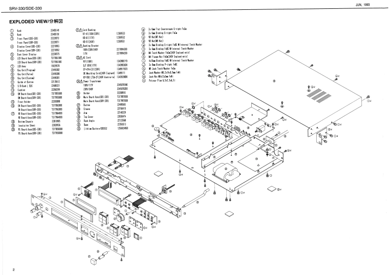
第2页 / 共23页

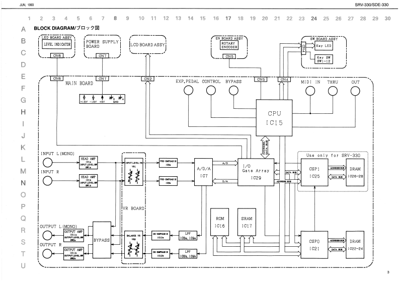
第3页 / 共23页

第4页 / 共23页

第5页 / 共23页

第6页 / 共23页

第7页 / 共23页

第8页 / 共23页

第9页 / 共23页

第10页 / 共23页
试读已结束,还剩13页,您可下载完整版后进行离线阅读
THE END
UK,193SV-330S0E-330SHV33▣/S▣E3日▣SERVICE NOTESFirst EditionDIMENSIONAL SPACEREVER日/▣IMENSI▣NAL SPACE▣ELAYSPECIFICATIONS/仕楼TABLE OF CONTENTS目次PageSPECIFICA0N5,,ttnt91na仕相111111L0CAT0NCFC0WT0L5nna:录儿配圈☑-,,,,,,a:iPLODEDEW.........................0K GA.-................111ブ☑☒---,,,,器”aW3厦5d0NDENTIFYING THE VER3 ION NUMBER........:バ-罗a曜踢方法·-11n1346A洲回:的相4领IUd科LOADIN8 THE FACT0 RY PRE8 ET DATA1:7y7卜y-·プ)t,卜·y-学00-下方法:8DATA8 VE AND L0AD,子-夕功七-ブ上口一KD方法-,,:9114444……-1215MAIN BOARD ASSY..-----.-.---.-.............MAIN B04A0AgY4*·-·-…-…---16✉18EDB0月DASSY……tLEDBOARD ASSYY.............-.-.-.-.-18,19CCaraesnr+向aCwQ角f3B0 ARD ASSY44+………-+20,0Tc南U0aEW040AS3Y…20,21TE200VR BOARD ASSYVR004月0AS3Ya411144·*20,5WE0 ARD ASSY..…20,210于一岁1115181■1■1■114014144.4=·“·-·…22CHANGE INFORMATON.........-..-.-.-.-.-.-.-交更案内1”1m1”1指1111▣144444.4·+…一23LOCATION OF CONTROLS/Y礻配置☒Fien Pand I8DE-33012222067%Figet Parel 18RV-3301Daplay Covr (SDE-300)2221094光KngtDiaplay Covor 8RM-33003月切30L2245150B221099RolondnLCDPROGRAM Koy UniVALUE K师h向2495140DMOSIZ-TDL31204903a21249加811506700n544-01-41013445229108012222DUST OOVER DISPLAY22205面®志西南晕适商帮通面令山28ee SWg的gW5552-288F42240.KA511513151网Prona Jack高别05440101b14915得Roland17元69709Prted n Japon (CE)ICR)1
请登录后查看评论内容