

第1页 / 共17页

第2页 / 共17页

第3页 / 共17页

第4页 / 共17页

第5页 / 共17页

第6页 / 共17页

第7页 / 共17页

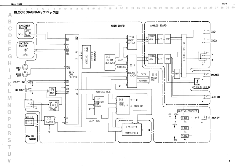
第8页 / 共17页

第9页 / 共17页

第10页 / 共17页
试读已结束,还剩7页,您可下载完整版后进行离线阅读
THE END
Nov.1992TD-7R88SERVICE NOTESSPECIFICATIONS/仕樣First EditionTABLE OF CONTENTS目次Page热9059SPECIFICATIONS仕镁44444444===-==1EXPLODED VIEW分解☒111n2PARTS LIST一7X卜151144544444444444444443TEST MODE学又卜毛-N94114-5DATA SAVE AND LOAD子一夕0女一号七日一K:8,7无空HOW TO LOAD THE FACTORY77夕下)=·ブ少老g卜PRESET DATAm4a+6罗一夕功口一卡方法”8IDENTIYFING THE VERSION NUMBERバ一乡,少十バ一0难聪方法TROUBLE SHOOTING卜与ブ儿衫=于A5BLOCK DIAGRAMブ口2夕图4CIRCUIT BOARD(MAINY基板☒(MAIN)CIRCUIT DIAGRAM(MAIN)回体(MAIN)11-13CIRCUIT BOARD(ANALOG)基版☒(ANALOG)14CIRCUIT DIAGRAM(ANALOG)▣B☑(ANALOG】15CHANGE INFORMATION变更上案内16.17LED Gide0k在ptPB-ESCT SDIMBLKL2405100122221月月-00122225335Hiers WlvuHaeE时LR5wC3日Cand Haak FC-50814801013MU7301-3010Top Cawir1E0922215532n22422147712001344844134463i3阳542fram】INeP】Roland T▣-7da8yo©©⊙O©©©A年A4ad南LCD CowerHEDOT40-01001045024HL4305-01-322015355001-6-31t145241010224】22225520292@4090013446201342#触2日44维25011340251534404421LCa Uee。西t8内有W733-18104净2131薄Roland17059669Printod in Japan AFHO (DP)1
请登录后查看评论内容