

第1页 / 共22页

第2页 / 共22页

第3页 / 共22页

第4页 / 共22页

第5页 / 共22页

第6页 / 共22页

第7页 / 共22页

第8页 / 共22页

第9页 / 共22页

第10页 / 共22页
试读已结束,还剩12页,您可下载完整版后进行离线阅读
THE END
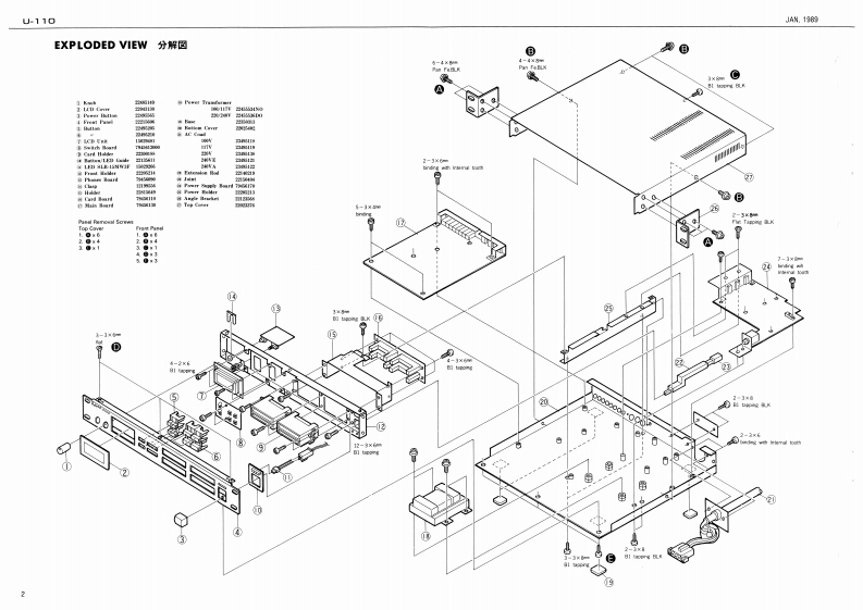
N1980U-110L-11▣SERVICE NOTESFirst EditionSPECIFICATIONS/仕檬AC CORD2Mbyte11IMemary Cartridgel6l2溪yteMDIIN.OUT,THRU220N23495138240mE23512150tOUTPUT240wA24512218e134165ipedancs 100DMisOut-Ld-之5dmIpeodance 1K65660666hu国Otipeodance 1K21W已Tn01里14444444·46W幻关58D的g45HMFubber FeotBottom Cover1g141g°1-32235031300×4pc52202540228813449146·45Kg9015ee.MDI Cable 11m)Ownar's ManualE4UhG94585s2600Presal TenaPalch S出ng ChartOperetion Map/ChartROM Ploy MasualGuide took for MIDOptions·Seund Library5NU1100to0四Cennec1 on Cend小1MTABLE OF CONTENTS目次PageSPECIRCATIONS仕1-LED SLB-15MW3F Igreen15029266EXPLODED VIEW分解国ButtorLED GuidePARTS LIST-y少天卜27135511IC DATA0子=夕-LED SLR55VC3F (red)415029266Card HolderBLOCK DIAGRAM▣2夕国2200188CIRCUIT DESCRIPTIONS工路解思Kinrtep ID]1PKaytop(S]2PCard Chassis224952022421622415649TEST P阳DGRAM于又卜05?7Fblend U-●CHANGE INFORMATION度更率内11白0MAIN BOARD千之求=下POWER SUPPLY.PHONES,SWITCH BOARD7一梦丁?求一卡14TROUBLESHOOTING卜与ブ儿兰-于1之为-LCD Cover1643131Power ButtonLUnDM033Z5L72240555008150294812214321930114491LKnob (blkl2241492215040430PeL EVUNBAP15A14 10KA13270▣1Rolandrinted in Jap网n6A-2GR0
请登录后查看评论内容