

第1页 / 共128页

第2页 / 共128页

第3页 / 共128页

第4页 / 共128页

第5页 / 共128页

第6页 / 共128页

第7页 / 共128页

第8页 / 共128页

第9页 / 共128页

第10页 / 共128页
试读已结束,还剩118页,您可下载完整版后进行离线阅读
THE END
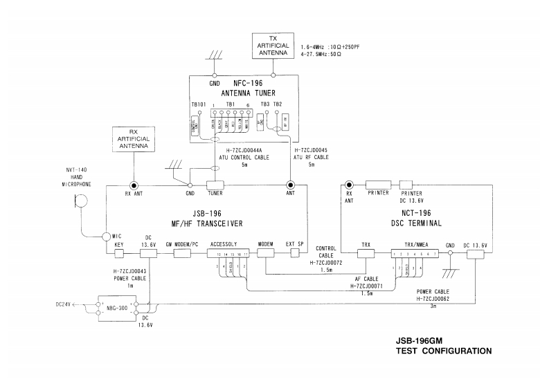
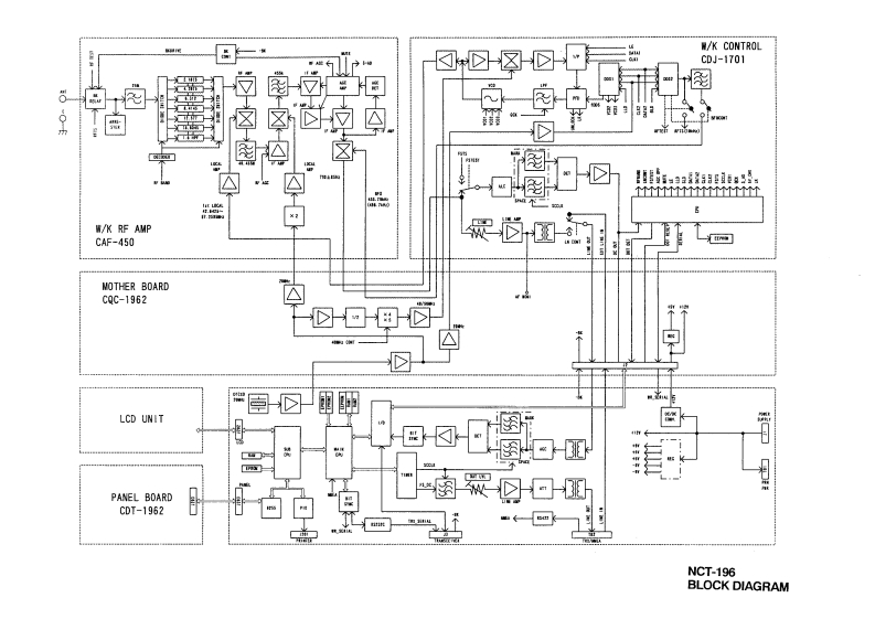
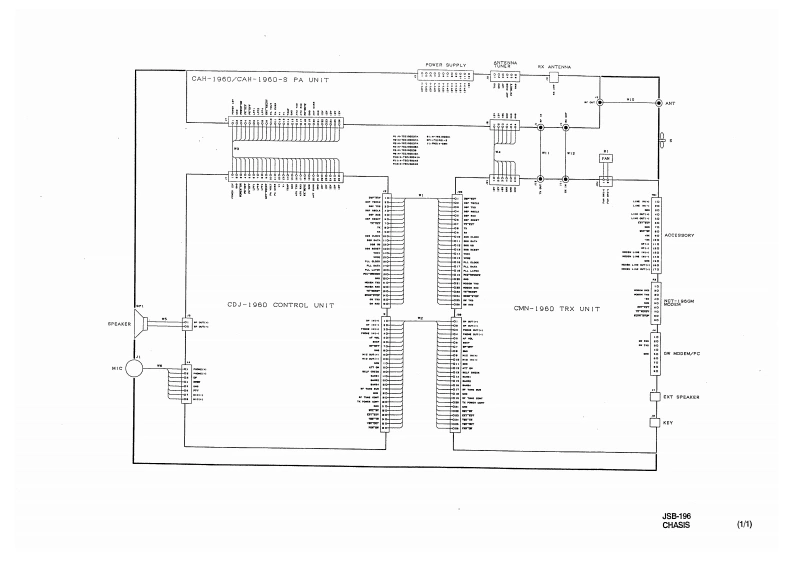
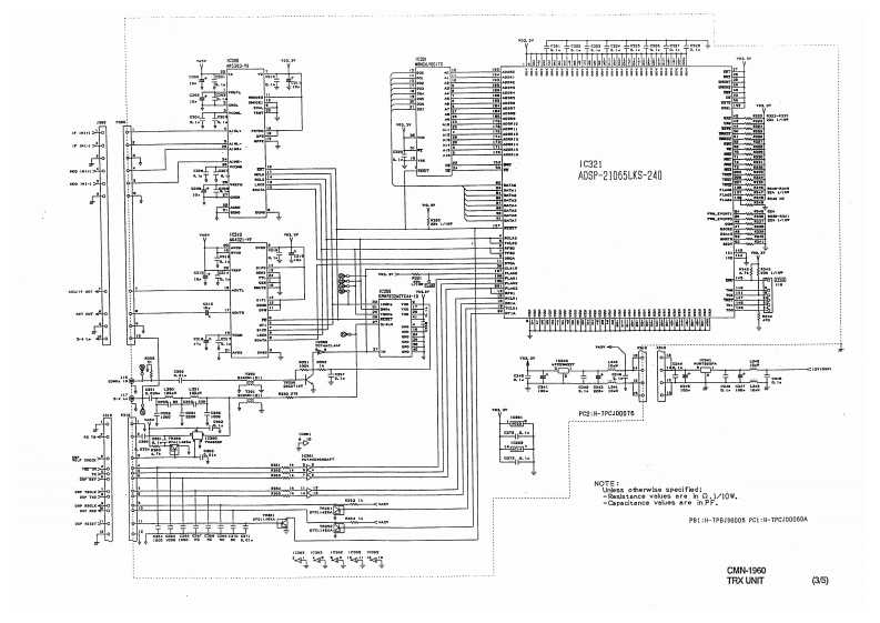
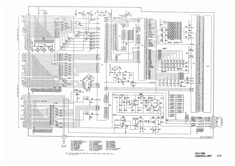
JSB-196GM MF/HF RADIO EQUIPMENTJSB-196GMJSB-196GMCDJ-1960 CONTROL UNITCMN-1960 TRX UNITMF/HF RADIORADIOTELEPHONEEQUIPMENTCAH-1960 PA UNITNFC-196CFG-196MATCHING UNITANTENNA TUNERNCT-196CDJ-1999CONTROL BOARDCQC-1962 MOTHER BOARDDSC TERMINALCDT-1962PANEL BOARDCDT-1701 W/K CONTROLCAF-450W/K RF AMP
请登录后查看评论内容